PN=0.6Mpa压力容器用甲型平焊法兰的尺寸
发布时间:2022-03-29 点击数:1496
PN=0.6Mpa压力容器用甲型平焊法兰的尺寸
技术标准:
NB/T 47020-2012 压力容器用法兰分类与技术条件
NB/T 47021-2012 甲型平焊法兰
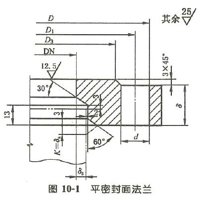
甲型平焊法兰的密封面形式:平面、凹凸面、衬环平面、衬环凹凸面。参见下图




PN=0.6Mpa甲型平焊法兰的尺寸表
| 公称尺寸DN | 法兰尺寸,mm | 螺柱 | |||||||
| D | D1 | D2 | D3 | D4 | δ | d | 规格 | 数量 | |
| 450 | 565 | 530 | 500 | 490 | 487 | 30 | 18 | M16 | 20 |
| 500 | 615 | 580 | 550 | 540 | 537 | 30 | 18 | M16 | 20 |
| 550 | 665 | 630 | 600 | 590 | 587 | 32 | 18 | M16 | 24 |
| 600 | 715 | 680 | 650 | 640 | 637 | 32 | 18 | M16 | 24 |
| 650 | 765 | 730 | 700 | 690 | 687 | 36 | 18 | M16 | 28 |
| 700 | 830 | 790 | 755 | 745 | 742 | 36 | 23 | M20 | 24 |
| 800 | 930 | 890 | 855 | 845 | 842 | 40 | 23 | M20 | 24 |
| 900 | 1030 | 990 | 955 | 945 | 942 | 44 | 23 | M20 | 32 |
| 1000 | 1130 | 1090 | 1055 | 1045 | 1042 | 48 | 23 | M20 | 36 |
| 1100 | 1230 | 1190 | 1155 | 1141 | 1138 | 55 | 23 | M20 | 44 |
| 1200 | 1330 | 1290 | 1255 | 1241 | 1238 | 60 | 23 | M20 | 52 |