公司简介

半岛BD体育官网在线观看 是2205和2507半岛娱乐站 和双相钢管件弯管的源头厂家。半岛BD体育官网在线观看 是双相钢ASME B16.9美标对焊管件、MSS SP-75美标管线钢管件、GB/T12459和GB/T13401对焊管件、ASME B16.11承插焊和螺纹管件及GB/T14383锻造管件和ASME B16.5美标CLASS系列双相钢锻造法兰的专业生产厂家。

新闻中心Recommend News

202023-10
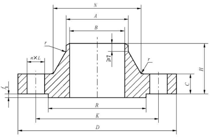
Class2500突面带颈对焊法兰的尺寸~GB/T 9124.2-2019

Class2500突面带颈对焊法兰的尺寸~GB/T 9124.2-2019

202023-10
Class1500突面带颈对焊法兰的尺寸~GB/T 9124.2-2019

Class1500突面带颈对焊法兰的尺寸~GB/T 9124.2-2019

202023-10
Class900突面带颈对焊法兰的尺寸~GB/T 9124.2-2019

Class900突面带颈对焊法兰的尺寸~GB/T 9124.2-2019

202023-10
Class600突面带颈对焊法兰的尺寸~GB/T 9124.2-2019

Class600突面带颈对焊法兰的尺寸~GB/T 9124.2-2019

202023-10
Class300突面带颈对焊法兰的尺寸~GB/T 9124.2-2019

Class300突面带颈对焊法兰的尺寸~GB/T 9124.2-2019

在线客服
  • 销售热线
    13031891590

半岛BD体育官网在线观看
Baidu
map