Class2500突面带颈对焊法兰的尺寸~GB/T 9124.2-2019
发布时间:2023-10-20 点击数:1991
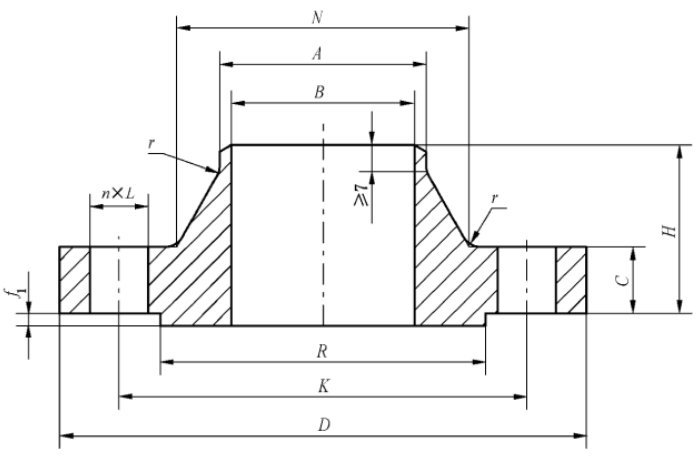
Class2500突面带颈对焊法兰的尺寸~GB/T 9124.2-2019

| 公称尺寸 | 钢管 外径 A/ mm |
连接尺寸 | 法兰 厚度 C/ mm |
法兰 高度 H/ mm |
颈部 | 法兰 内径 B/ mm |
密封面 直径 R/ mm |
密封面 厚度 f1/ mm |
||||||
| DN | NPS | 法兰 外径 D/ mm |
螺栓孔中心圆直径 K/ mm |
螺栓孔 直径 L/mm |
螺栓 | |||||||||
| 数量 n/个 |
螺纹 规格 |
N/ mm | r/ mm | |||||||||||
| 15 | 1/2 | 21.3 | 135 | 88.9 | 22 | 4 | M20 | 30.2 | 73 | 43 | ≥4 | 11.7 | 34.9 | 7 |
| 20 | 3/4 | 26.7 | 140 | 95.2 | 22 | 4 | M20 | 31.8 | 79 | 51 | ≥4 | 15.6 | 42.9 | 7 |
| 25 | 1 | 33.4 | 160 | 108.0 | 26 | 4 | M24 | 35.0 | 89 | 57 | ≥4 | 20.7 | 50.8 | 7 |
| 32 | 1 ¼ | 42.2 | 185 | 130.2 | 29 | 4 | M27 | 38.1 | 95 | 73 | ≥4 | 29.5 | 63.5 | 7 |
| 40 | 1 ½ | 48.3 | 205 | 146.0 | 32 | 4 | M30 | 44.5 | 111 | 79 | ≥4 | 34.0 | 73.0 | 7 |
| 50 | 2 | 60.3 | 235 | 171.4 | 29 | 8 | M27 | 50.9 | 127 | 95 | ≥4 | 42.8 | 92.1 | 7 |
| 65 | 2 ½ | 73.0 | 265 | 196.8 | 32 | 8 | M30 | 57.2 | 143 | 114 | ≥4 | 57.0 | 104.8 | 7 |
| 80 | 3 | 88.9 | 305 | 228.6 | 35 | 8 | M33 | 66.7 | 168 | 133 | ≥4 | 66.6 | 127.0 | 7 |
| 100 | 4 | 114.3 | 355 | 273.0 | 42 | 8 | M39 | 76.2 | 190 | 165 | ≥4 | 87.3 | 157.2 | 7 |
| 125 | 5 | 141.3 | 420 | 323.8 | 48 | 8 | M45 | 92.1 | 229 | 203 | ≥4 | 109.5 | 185.7 | 7 |
| 150 | 6 | 168.3 | 485 | 368.3 | 55 | 8 | M52 | 108.0 | 273 | 235 | ≥4 | 131.8 | 215.9 | 7 |
| 200 | 8 | 219.1 | 550 | 438.2 | 55 | 12 | M52 | 127.0 | 318 | 305 | ≥4 | 173.1 | 269.9 | 7 |
| 250 | 10 | 273.0 | 675 | 539.8 | 67 | 12 | M64 | 165.1 | 419 | 375 | ≥4 | 215.9 | 323.8 | 7 |
| 300 | 12 | 323.8 | 760 | 619.1 | 73 | 12 | M70 | 184.2 | 464 | 441 | ≥4 | 257.3 | 381.0 | 7 |
法兰内径B由采购方指定,表列内径相当于采用钢管壁厚Sch160。