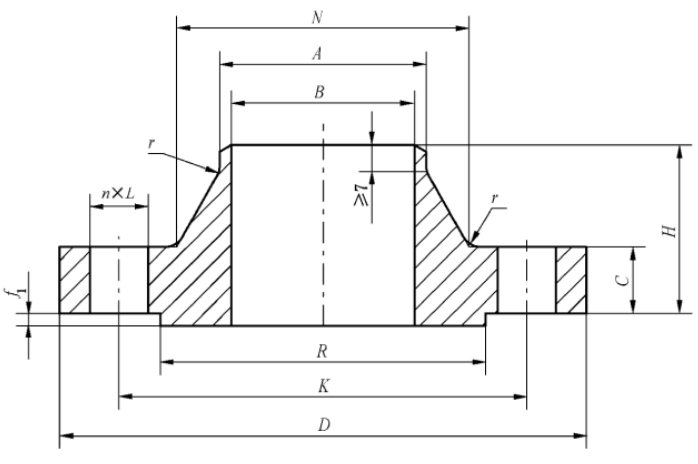
Class1500突面带颈对焊法兰的尺寸~GB/T 9124.2-2019
发布时间:2023-10-20 点击数:1653
Class1500突面带颈对焊法兰的尺寸~GB/T 9124.2-2019

| 公称尺寸 | 钢管 外径 A/ mm |
连接尺寸 | 法兰 厚度 C/ mm |
法兰 高度 H/ mm |
颈部 | 法兰 内径 B/ mm |
密封面 直径 R/ mm |
密封面 厚度 f1/ mm |
||||||
| DN | NPS | 法兰 外径 D/ mm |
螺栓孔中心圆直径 K/ mm |
螺栓孔 直径 L/mm |
螺栓 | |||||||||
| 数量 n/个 |
螺纹 规格 |
N/ mm | r/ mm | |||||||||||
| 15 | 1/2 | 21.3 | 120 | 82.6 | 22 | 4 | M20 | 22.3 | 60 | 38 | ≥4 | 13.8 | 34.9 | 7 |
| 20 | 3/4 | 26.7 | 130 | 88.9 | 22 | 4 | M20 | 25.4 | 70 | 44 | ≥4 | 18.9 | 42.9 | 7 |
| 25 | 1 | 33.4 | 150 | 101.6 | 26 | 4 | M24 | 28.6 | 73 | 52 | ≥4 | 24.3 | 50.8 | 7 |
| 32 | 1 ¼ | 42.2 | 160 | 111.1 | 26 | 4 | M24 | 28.6 | 73 | 64 | ≥4 | 32.5 | 63.5 | 7 |
| 40 | 1 ½ | 48.3 | 180 | 123.8 | 29 | 4 | M27 | 31.8 | 83 | 70 | ≥4 | 38.1 | 73.0 | 7 |
| 50 | 2 | 60.3 | 215 | 165.1 | 26 | 8 | M24 | 38.1 | 102 | 105 | ≥4 | 49.2 | 92.1 | 7 |
| 65 | 2 ½ | 73.0 | 245 | 190.5 | 29 | 8 | M27 | 41.3 | 105 | 124 | ≥4 | 62.1 | 104.8 | 7 |
| 80 | 3 | 88.9 | 265 | 203.2 | 32 | 8 | M30 | 47.7 | 117 | 133 | ≥4 | 73.7 | 127.0 | 7 |
| 100 | 4 | 114.3 | 310 | 241.3 | 35 | 8 | M33 | 54.0 | 124 | 162 | ≥4 | 97.2 | 157.2 | 7 |
| 125 | 5 | 141.3 | 375 | 292.1 | 42 | 8 | M39 | 73.1 | 156 | 197 | ≥4 | 122.2 | 185.7 | 7 |
| 150 | 6 | 168.3 | 395 | 317.5 | 39 | 12 | M36 | 82.6 | 171 | 229 | ≥4 | 146.4 | 215.9 | 7 |
| 200 | 8 | 219.1 | 485 | 393.7 | 45 | 12 | M42 | 92.1 | 213 | 292 | ≥4 | 193.7 | 269.9 | 7 |
| 250 | 10 | 273.0 | 585 | 482.6 | 51 | 12 | M48 | 108.0 | 254 | 368 | ≥4 | 242.9 | 323.8 | 7 |
| 300 | 12 | 323.8 | 675 | 571.5 | 55 | 16 | M52 | 123.9 | 283 | 451 | ≥4 | 288.9 | 381.0 | 7 |
| 350 | 14 | 355.6 | 750 | 635.0 | 60 | 16 | M56 | 133.4 | 298 | 495 | ≥4 | 317.5 | 412.8 | 7 |
| 400 | 16 | 406.4 | 825 | 704.8 | 67 | 16 | M64 | 146.1 | 311 | 552 | ≥4 | 363.5 | 469.9 | 7 |
| 450 | 18 | 457.0 | 915 | 774.7 | 73 | 16 | M70 | 162.0 | 327 | 597 | ≥4 | 409.5 | 533.4 | 7 |
| 500 | 20 | 508.0 | 985 | 831.8 | 79 | 16 | M76 | 177.8 | 356 | 641 | ≥4 | 455.6 | 584.2 | 7 |
| 600 | 24 | 610.0 | 1170 | 990.6 | 93 | 16 | M90 | 203.2 | 406 | 762 | ≥4 | 548.1 | 692.2 | 7 |
法兰内径B由采购方指定,表列内径相当于采用钢管壁厚Sch80。