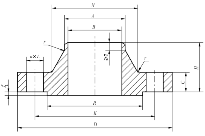
Class300突面带颈对焊法兰的尺寸~GB/T 9124.2-2019
发布时间:2023-10-20 点击数:1694
Class300突面带颈对焊法兰的尺寸~GB/T 9124.2-2019

| 公称尺寸 | 钢管 外径 A/ mm |
连接尺寸 | 法兰 厚度 C/ mm |
法兰 高度 H/ mm |
颈部 | 法兰 内径 B/ mm |
密封面 直径 R/ mm |
密封面 厚度 f1/ mm |
||||||
| DN | NPS | 法兰 外径 D/ mm |
螺栓孔中心圆直径 K/ mm |
螺栓孔 直径 L/mm |
螺栓 | |||||||||
| 数量 n/个 |
螺纹 规格 |
N/ mm | r/ mm | |||||||||||
| 15 | 1/2 | 21.3 | 95 | 66.7 | 16 | 4 | M14 | 12.7 | 51 | 38 | ≥4 | 15.8 | 34.9 | 2 |
| 20 | 3/4 | 26.7 | 115 | 82.6 | 19 | 4 | M16 | 14.3 | 56 | 48 | ≥4 | 20.9 | 42.9 | 2 |
| 25 | 1 | 33.4 | 125 | 88.9 | 19 | 4 | M16 | 15.9 | 60 | 54 | ≥4 | 26.6 | 50.8 | 2 |
| 32 | 1 ¼ | 42.2 | 135 | 98.4 | 19 | 4 | M16 | 17.5 | 64 | 64 | ≥4 | 35.1 | 63.5 | 2 |
| 40 | 1 ½ | 48.3 | 155 | 114.3 | 22 | 4 | M20 | 19.1 | 67 | 70 | ≥4 | 40.9 | 73.0 | 2 |
| 50 | 2 | 60.3 | 165 | 127.0 | 19 | 8 | M16 | 20.7 | 68 | 84 | ≥4 | 52.5 | 92.1 | 2 |
| 65 | 2 ½ | 73.0 | 190 | 149.2 | 22 | 8 | M20 | 23.9 | 75 | 100 | ≥4 | 62.7 | 104.8 | 2 |
| 80 | 3 | 88.9 | 210 | 168.3 | 22 | 8 | M20 | 27.0 | 78 | 117 | ≥4 | 77.9 | 127.0 | 2 |
| 100 | 4 | 114.3 | 255 | 200.0 | 22 | 8 | M20 | 30.2 | 84 | 146 | ≥4 | 102.3 | 157.2 | 2 |
| 125 | 5 | 141.3 | 280 | 235.0 | 22 | 8 | M20 | 33.4 | 97 | 178 | ≥4 | 128.2 | 185.7 | 2 |
| 150 | 6 | 168.3 | 320 | 269.9 | 22 | 12 | M20 | 35.0 | 97 | 206 | ≥4 | 154.1 | 215.9 | 2 |
| 200 | 8 | 219.1 | 380 | 330.2 | 26 | 12 | M24 | 39.7 | 110 | 260 | ≥4 | 202.7 | 269.9 | 2 |
| 250 | 10 | 273.0 | 445 | 387.4 | 29 | 16 | M27 | 46.1 | 116 | 321 | ≥4 | 254.6 | 323.8 | 2 |
| 300 | 12 | 323.8 | 520 | 450.8 | 32 | 16 | M30 | 49.3 | 129 | 375 | ≥4 | 304.8 | 381.0 | 2 |
| 350 | 14 | 355.6 | 585 | 514.4 | 32 | 20 | M30 | 52.4 | 141 | 425 | ≥4 | 336.5 | 412.8 | 2 |
| 400 | 16 | 406.4 | 650 | 571.5 | 35 | 20 | M33 | 55.6 | 144 | 483 | ≥4 | 387.3 | 469.9 | 2 |
| 450 | 18 | 457.0 | 710 | 628.6 | 35 | 24 | M33 | 58.8 | 157 | 533 | ≥4 | 438.1 | 533.4 | 2 |
| 500 | 20 | 508.0 | 775 | 685.8 | 35 | 24 | M33 | 62.0 | 160 | 587 | ≥4 | 488.9 | 584.2 | 2 |
| 550 | 22 | 559.0 | 840 | 743.0 | 42 | 24 | M39 | 65.1 | 164 | 640 | ≥4 | 539.9 | 641.4 | 2 |
| 600 | 24 | 610.0 | 915 | 812.8 | 42 | 24 | M39 | 68.3 | 167 | 702 | ≥4 | 590.9 | 692.2 | 2 |
法兰内径B由采购方指定,表列内径相当于采用钢管壁厚STD。