当前位置: 首页 > 文章中心 > 管道综合 >压力容器用甲型平焊法兰和乙型平焊法兰的区别

压力容器用甲型平焊法兰和乙型平焊法兰的区别

发布时间:2022-04-05 点击数:2270

压力容器用甲型平焊法兰和乙型平焊法兰的区别:

1、甲型平焊法兰为V型坡口,乙型平焊法兰为U型坡口,因此乙型更易焊透,故其强度和刚度更高;乙型平焊法兰带有一个短筒体,因此刚性较甲型平焊法兰好,可用于压力较高,直径较大的场合。

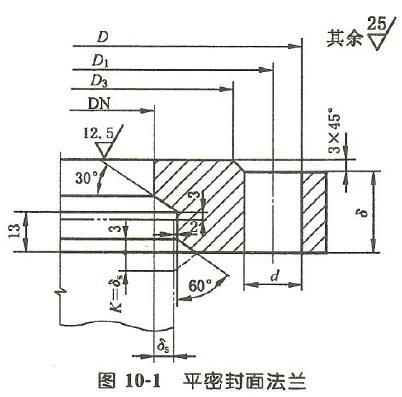
左图为平密封面甲型平焊法兰

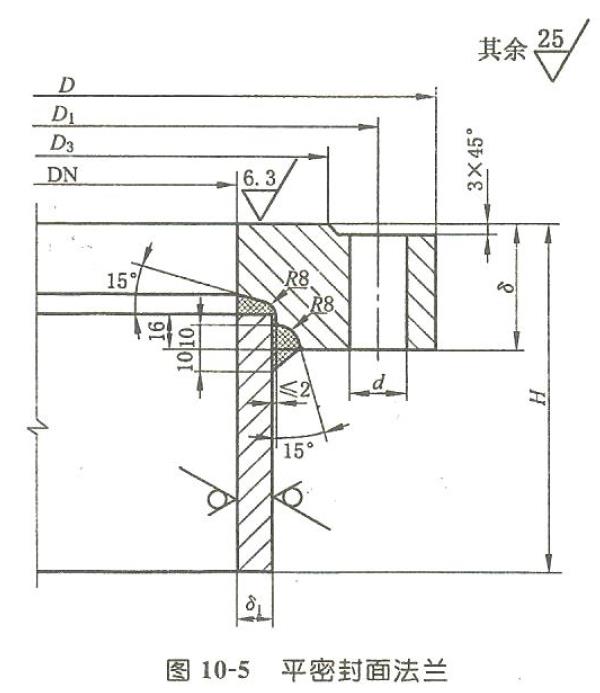
左图为平密封面乙型平焊法兰

2、甲型平焊法兰直接与容器焊接,其解焊缝尺寸较小或不开坡口焊接,不能保证法兰与容器同时受力,强度计算参照活套法兰。甲型平焊法兰不宜使用在易燃、易爆和高度、极度危害介质等要求严格的场合,也不能使用于剧烈循环工况;乙型平焊法兰一般附有一段较厚的短筒体,法兰与短筒体的焊接质量可靠,能保证法兰与容器同时受力,强度计算可按整体法兰考虑。乙型平焊法兰广泛适用于中、低压容器和管道的连接中。

3、钢制压力容器甲型法兰适用于公称压力为0.25-1.6Mpa,工作温度高于-20-300℃;钢制压力容器乙型法兰适用于公称压力为0.25-4.0Mpa,工作温度高于-20-350℃。

------选自百度知道:https://zhidao.baidu.com/question/477679743.html

在线客服
  • 销售热线
    13031891590

半岛BD体育官网在线观看
Baidu
map