ASME B16.47 A 系列 CL150 带颈对焊法兰的尺寸
发布时间:2016-01-07 点击数:4766
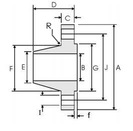
ASME B16.47 A 系列 CL150 带颈对焊法兰的尺寸

| DN | NPS | 法兰外径 | 法兰内径 | 法兰厚度(Min.) | 法兰 高度 |
坡口处 外径 |
径部 直径 |
密封面 直径 |
密封面高度 | 螺栓孔数 | 螺孔孔直径 | 螺栓孔中心圆直径 | 圆角 半径 ( Min.) |
| A | B | C | D | E | F | G | f | n | I | J | R | ||
| 650 | 26 | 870 | - | 66.7 | 119 | 660.4 | 676 | 749 | 2 | 24 | 34.9 | 806.4 | 10 |
| 700 | 28 | 925 | - | 69.9 | 124 | 711.2 | 727 | 800 | 2 | 28 | 34.9 | 863.6 | 11 |
| 750 | 30 | 985 | - | 73.1 | 135 | 762.0 | 781 | 857 | 2 | 28 | 34.9 | 914.4 | 11 |
| 800 | 32 | 1060 | - | 79.4 | 143 | 812.8 | 832 | 914 | 2 | 28 | 41.3 | 977.9 | 11 |
| 850 | 34 | 1110 | - | 81.0 | 148 | 863.6 | 883 | 965 | 2 | 32 | 41.3 | 1028.7 | 13 |
| 900 | 36 | 1170 | - | 88.9 | 156 | 914.4 | 933 | 1022 | 2 | 32 | 41.3 | 1085.8 | 13 |
| 950 | 38 | 1240 | - | 85.8 | 156 | 965.2 | 991 | 1073 | 2 | 32 | 41.3 | 1149.4 | 13 |
| 1000 | 40 | 1290 | - | 88.9 | 162 | 1016.0 | 1041 | 1124 | 2 | 36 | 41.3 | 1200.2 | 13 |
| 1050 | 42 | 1345 | - | 95.3 | 170 | 1066.8 | 1092 | 1194 | 2 | 36 | 41.3 | 1257.3 | 13 |
| 1100 | 44 | 1405 | - | 100.1 | 176 | 1117.6 | 1143 | 1245 | 2 | 40 | 41.3 | 1314.4 | 13 |
| 1150 | 46 | 1455 | - | 101.6 | 184 | 1168.4 | 1197 | 1295 | 2 | 40 | 41.3 | 1365.2 | 13 |
| 1200 | 48 | 1510 | - | 106.4 | 191 | 1219.2 | 1248 | 1359 | 2 | 44 | 41.3 | 1422.4 | 13 |
| 1250 | 50 | 1570 | - | 109.6 | 202 | 1270.0 | 1302 | 1410 | 2 | 44 | 47.6 | 1479.6 | 13 |
| 1300 | 52 | 1625 | - | 114.3 | 208 | 1320.8 | 1353 | 1461 | 2 | 44 | 47.6 | 1536.7 | 13 |
| 1350 | 54 | 1685 | - | 119.1 | 214 | 1371.6 | 1403 | 1511 | 2 | 44 | 47.6 | 1593.8 | 13 |
| 1400 | 56 | 1745 | - | 122.3 | 227 | 1422.4 | 1457 | 1575 | 2 | 48 | 47.6 | 1651.0 | 13 |
| 1450 | 58 | 1805 | - | 127.0 | 233 | 1473.2 | 1508 | 1626 | 2 | 48 | 47.6 | 1708.2 | 13 |
| 1500 | 60 | 1855 | - | 130.2 | 238 | 1524.0 | 1559 | 1676 | 2 | 52 | 47.6 | 1759.0 | 13 |
法兰内径B由采购方指定,与钢管保持一致。