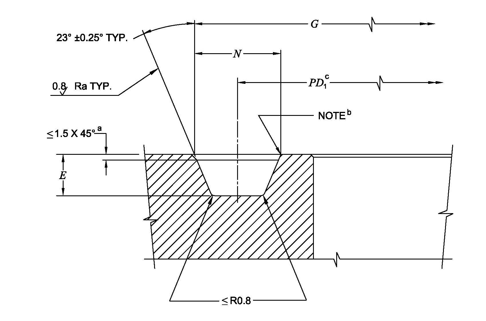
API 6A法兰BX型环连接面的加工尺寸
发布时间:2023-03-14 点击数:1128
API 6A法兰BX型环连接面的加工尺寸

| Groove Number | Nominal Size of Flange, in. |
Outside Diameter, G |
Depth of Groove, E |
Width of Groove, F |
Pitch Diameter, PD1 |
| Tolerance> | (Ref.) | +0.10/−0 | +0.50/−0 | +0.10/−0 | (Ref.) |
| BX 151 | 1 13/16 | 77.77 | 5.56 | 11.84 | 65.93 |
| BX 152 | 2 1/16 | 86.23 | 5.95 | 12.65 | 73.58 |
| BX 153 | 2 9/16 | 102.77 | 6.75 | 14.07 | 88.70 |
| BX 154 | 3 1/16 | 119.00 | 7.54 | 15.39 | 103.61 |
| BX 155 | 4 1/16 | 150.62 | 8.33 | 17.73 | 132.89 |
| BX 156 | 7 1/16 | 241.83 | 11.11 | 23.39 | 218.44 |
| BX 157 | 9 | 299.06 | 12.70 | 26.39 | 272.67 |
| BX 158 | 11 | 357.23 | 14.29 | 29.18 | 328.05 |
| BX 159 | 13 5/8 | 432.64 | 15.88 | 32.49 | 400.15 |
| BX 160 | 13 5/8 | 408.00 | 14.29 | 19.96 | 388.04 |
| BX 161 | 16 3/4 | 497.94 | 17.07 | 23.62 | 474.32 |
| BX 162 | 16 3/4 | 478.33 | 8.33 | 17.91 | 460.42 |
| BX 163 | 18 3/4 | 562.50 | 18.26 | 25.55 | 537.95 |
| BX 164 | 18 3/4 | 577.90 | 18.26 | 32.77 | 545.13 |
| BX 165 | 21 1/4 | 632.56 | 19.05 | 27.20 | 605.36 |
| BX 166 | 21 1/4 | 647.88 | 19.05 | 34.87 | 613.01 |
| BX 167 | 26 3/4 | 768.33 | 21.43 | 22.91 | 745.42 |
| BX 168 | 26 3/4 | 774.22 | 21.43 | 25.86 | 748.36 |
| BX 169 | 5 1/8 | 176.66 | 9.53 | 16.92 | 159.74 |
| BX 170 | 9 | 220.88 | 8.33 | 17.91 | 202.97 |
| BX 171 | 11 | 270.88 | 8.33 | 17.91 | 252.37 |
| BX 172 | 13 5/8 | 335.92 | 8.33 | 17.91 | 318.01 |
| BX 303 | 30 | 862.30 | 22.62 | 27.38 | 834.92 |
aThe 1.5 x 45° chamfer is optional and only applies to the outside (OD) of the groove.
bBreak sharp corner 0.8 mm maximum at inside (ID) of the groove.
cReference dimension.