PN40带颈对焊法兰的尺寸-GB/T 9124.1-2019
发布时间:2022-03-26 点击数:1180
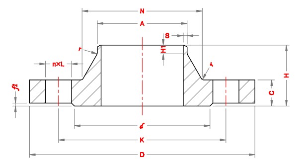
PN40带颈对焊法兰的尺寸-GB/T 9124.1-2019

| DN | 钢管外径, A | 法兰外径, D | 螺栓孔中心距, K | 螺栓孔直径, L | 螺栓数量 | 突面直径, d | 突面高度,f1 | 法兰厚度, C | 法兰高度, H | 颈部直径, N | 壁厚, S | 直段长度, H1 | 转角半径, r | ||
| 系列Ⅰ | 系列Ⅱ | 系列Ⅰ | 系列Ⅱ | ||||||||||||
| 10 | 17.2 | 14 | 90 | 60 | 14 | 4 | 40 | 2 | 16 | 35 | 28 | 2.0 | 6 | 4 | |
| 15 | 21.3 | 18 | 95 | 65 | 14 | 4 | 45 | 2 | 16 | 38 | 32 | 2.0 | 6 | 4 | |
| 20 | 26.9 | 25 | 105 | 75 | 14 | 4 | 58 | 2 | 18 | 40 | 40 | 2.3 | 6 | 4 | |
| 25 | 33.7 | 32 | 115 | 85 | 14 | 4 | 68 | 2 | 18 | 40 | 46 | 2.6 | 6 | 4 | |
| 32 | 42.4 | 38 | 140 | 100 | 18 | 4 | 78 | 2 | 18 | 42 | 56 | 2.6 | 6 | 6 | |
| 40 | 48.3 | 45 | 150 | 110 | 18 | 4 | 88 | 3 | 18 | 45 | 64 | 2.6 | 7 | 6 | |
| 50 | 60.3 | 57 | 165 | 125 | 18 | 4 | 102 | 3 | 20 | 48 | 75 | 2.9 | 8 | 6 | |
| 65 | 76.1 | 79 | 185 | 145 | 18 | 8 | 122 | 3 | 22 | 52 | 90 | 2.9 | 10 | 6 | |
| 80 | 88.9 | 89 | 200 | 160 | 18 | 8 | 138 | 3 | 24 | 58 | 105 | 3.2 | 12 | 8 | |
| 100 | 114.3 | 108 | 235 | 190 | 22 | 8 | 162 | 3 | 24 | 65 | 134 | 3.6 | 12 | 8 | |
| 125 | 139.7 | 133 | 270 | 220 | 26 | 8 | 188 | 3 | 26 | 68 | 162 | 4.0 | 12 | 8 | |
| 150 | 168.3 | 159 | 300 | 250 | 26 | 8 | 218 | 3 | 28 | 75 | 192 | 4.5 | 12 | 10 | |
| 200 | 219.1 | 219 | 375 | 320 | 30 | 12 | 285 | 3 | 34 | 88 | 244 | 6.3 | 16 | 10 | |
| 250 | 273 | 273 | 450 | 385 | 33 | 12 | 345 | 3 | 38 | 105 | 306 | 7.1 | 18 | 12 | |
| 300 | 323.9 | 325 | 515 | 450 | 33 | 16 | 410 | 4 | 42 | 115 | 362 | 8.0 | 18 | 12 | |
| 350 | 355.6 | 377 | 580 | 510 | 36 | 16 | 465 | 4 | 46 | 125 | 408 | 418 | 8.8 | 20 | 12 |
| 400 | 406.4 | 426 | 660 | 585 | 39 | 16 | 535 | 4 | 50 | 135 | 462 | 480 | 11.0 | 20 | 12 |
| 450 | 457 | 480 | 685 | 610 | 39 | 20 | 560 | 4 | 57 | 135 | 500 | 530 | 12.5 | 20 | 12 |
| 500 | 508 | 530 | 755 | 670 | 42 | 20 | 615 | 4 | 57 | 140 | 562 | 580 | 14.2 | 20 | 12 |
| 600 | 610 | 630 | 890 | 795 | 48 | 20 | 735 | 5 | 72 | 150 | 666 | 686 | 16.0 | 20 | 12 |
相关链接: