PN=0.6Mpa压力容器用乙型平焊法兰的尺寸
发布时间:2022-04-06 点击数:1240
PN=0.6Mpa压力容器用乙型平焊法兰的尺寸
技术标准:
NB/T 47020-2012 压力容器用法兰分类与技术条件
NB/T 47022-2012 乙型平焊法兰
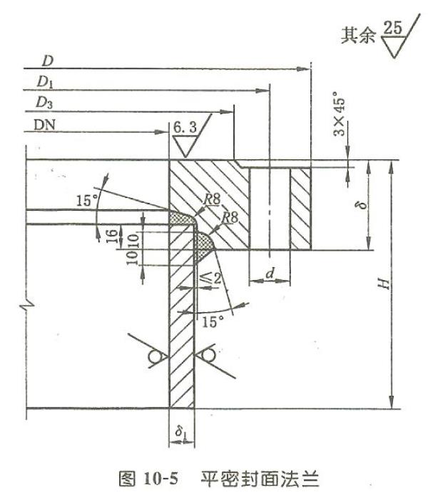
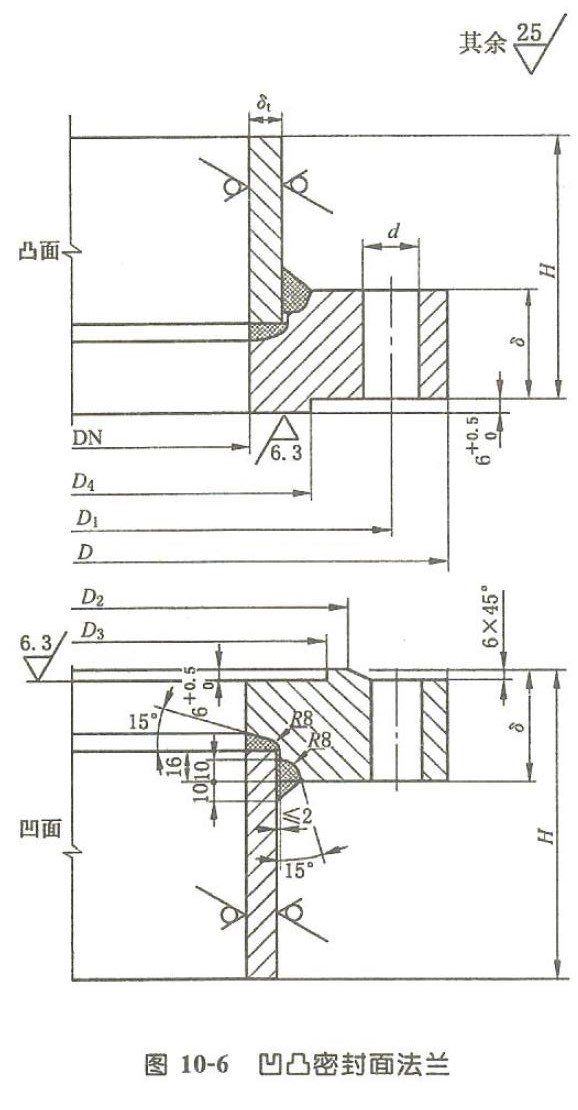
乙型平焊法兰的密封面形式:平面、凹凸面、榫槽面、衬环平面、衬环凹凸面、衬环榫槽面。参见下图






PN=0.6Mpa乙型平焊法兰的尺寸
| 公称尺寸DN | 法兰尺寸,mm | 螺柱 | |||||||||||
| D | D1 | D2 | D3 | D4 | δ | H | δ1 | a | a1 | d | 规格 | 数量 | |
| 1300 | 1460 | 1415 | 1376 | 1356 | 1353 | 70 | 270 | 16 | 21 | 18 | 27 | M24 | 36 |
| 1400 | 1560 | 1515 | 1476 | 1456 | 1453 | 72 | 270 | 16 | 21 | 18 | 27 | M24 | 40 |
| 1500 | 1660 | 1615 | 1576 | 1556 | 1553 | 74 | 270 | 16 | 21 | 18 | 27 | M24 | 40 |
| 1600 | 1760 | 1715 | 1676 | 1656 | 1653 | 76 | 275 | 16 | 21 | 18 | 27 | M24 | 44 |
| 1700 | 1860 | 1815 | 1776 | 1756 | 1753 | 78 | 280 | 16 | 21 | 18 | 27 | M24 | 48 |
| 1800 | 1960 | 1915 | 1876 | 1856 | 1853 | 80 | 280 | 16 | 21 | 18 | 27 | M24 | 52 |
| 1900 | 2060 | 2015 | 1976 | 1956 | 1953 | 84 | 285 | 16 | 21 | 18 | 27 | M24 | 56 |
| 2000 | 2160 | 2115 | 2076 | 2056 | 2053 | 87 | 285 | 16 | 21 | 18 | 27 | M24 | 60 |
| 2200 | 2360 | 2315 | 2276 | 2256 | 2253 | 90 | 340 | 16 | 21 | 18 | 27 | M24 | 64 |
| 2400 | 2560 | 2515 | 2476 | 2456 | 2453 | 92 | 340 | 16 | 21 | 18 | 27 | M24 | 68 |