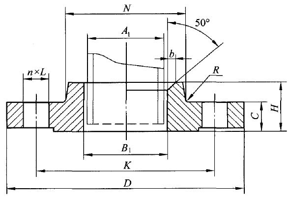
PN25带颈平焊法兰的尺寸~HG/T 20592-2009
发布时间:2022-11-02 点击数:1144
PN25带颈平焊法兰的尺寸~HG/T 20592-2009

| DN | 钢管外径, A | 法兰外径, D | 螺栓孔中心圆直径, K | 螺栓孔直径, L | 螺栓孔数 | 螺栓规格 | 密封面直径, d | 密封面高度, f1 | 法兰厚度, C | 法兰内径,B | 颈部直径, N | 圆角半径, R | 法兰高度, H | 坡口宽度,b | |||
| A系列 | B系列 | A系列 | B系列 | A系列 | B系列 | ||||||||||||
| 10 | 17.2 | 14 | 90 | 60 | 14 | 4 | M12 | 40 | 2 | 16 | 18 | 15 | 30 | 30 | r | 22 | 4 |
| 15 | 21.3 | 18 | 95 | 65 | 14 | 4 | M12 | 45 | 2 | 16 | 22 | 19 | 35 | 35 | 4 | 22 | 4 |
| 20 | 26.9 | 25 | 105 | 75 | 14 | 4 | M12 | 58 | 2 | 18 | 27.5 | 26 | 45 | 45 | 4 | 26 | 4 |
| 25 | 33.7 | 32 | 115 | 85 | 14 | 4 | M12 | 68 | 2 | 18 | 34.5 | 33 | 52 | 52 | 4 | 28 | 5 |
| 32 | 42.4 | 38 | 140 | 100 | 18 | 4 | M16 | 78 | 2 | 18 | 43.5 | 39 | 60 | 60 | 6 | 30 | 5 |
| 40 | 48.3 | 45 | 150 | 110 | 18 | 4 | M16 | 88 | 2 | 18 | 49.5 | 46 | 70 | 70 | 6 | 32 | 5 |
| 50 | 60.3 | 57 | 165 | 125 | 18 | 4 | M16 | 102 | 2 | 20 | 61.5 | 59 | 84 | 84 | 6 | 34 | 5 |
| 65 | 76.1 | 79 | 185 | 145 | 18 | 8 | M16 | 122 | 2 | 22 | 77.5 | 78 | 104 | 104 | 6 | 38 | 6 |
| 80 | 88.9 | 89 | 200 | 160 | 18 | 8 | M16 | 138 | 2 | 24 | 90.5 | 91 | 118 | 118 | 8 | 40 | 6 |
| 100 | 114.3 | 108 | 235 | 190 | 22 | 8 | M20 | 162 | 2 | 24 | 116 | 110 | 145 | 145 | 8 | 44 | 6 |
| 125 | 139.7 | 133 | 270 | 220 | 26 | 8 | M24 | 188 | 2 | 26 | 143.5 | 135 | 170 | 170 | 8 | 48 | 6 |
| 150 | 168.3 | 159 | 300 | 250 | 26 | 8 | M24 | 218 | 2 | 28 | 170.5 | 161 | 200 | 200 | 10 | 52 | 6 |
| 200 | 219.1 | 219 | 360 | 310 | 26 | 12 | M24 | 278 | 2 | 30 | 221.5 | 222 | 256 | 256 | 10 | 52 | 8 |
| 250 | 273 | 273 | 435 | 370 | 30 | 12 | M27 | 335 | 2 | 32 | 276.5 | 276 | 310 | 310 | 10 | 60 | 10 |
| 300 | 323.9 | 325 | 485 | 430 | 30 | 16 | M27 | 395 | 2 | 34 | 327.5 | 328 | 364 | 364 | 10 | 67 | 11 |
| 350 | 355.6 | 377 | 555 | 490 | 33 | 16 | M30 | 450 | 2 | 38 | 360 | 381 | 418 | 430 | 12 | 72 | 12 |
| 400 | 406.4 | 426 | 620 | 550 | 36 | 16 | M33 | 505 | 2 | 40 | 411 | 430 | 472 | 492 | 12 | 78 | 12 |
| 450 | 457 | 480 | 670 | 600 | 36 | 20 | M33 | 555 | 2 | 46 | 462 | 485 | 520 | 542 | 12 | 84 | 12 |
| 500 | 508 | 530 | 730 | 660 | 36 | 20 | M33 | 615 | 2 | 48 | 513.5 | 535 | 580 | 602 | 12 | 90 | 12 |
| 600 | 610 | 630 | 845 | 770 | 39 | 20 | M36 | 720 | 2 | 58 | 616.5 | 636 | 684 | 704 | 12 | 100 | 12 |