PN40带颈对焊法兰的尺寸~HG/T 20592-2009
发布时间:2022-11-03 点击数:1082
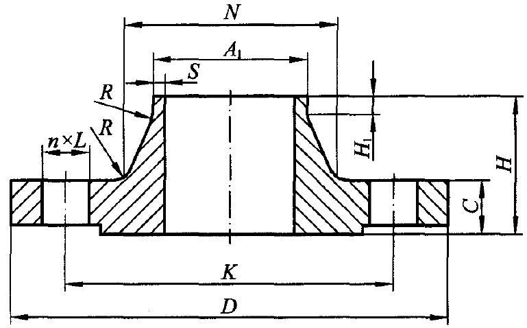
PN40带颈对焊法兰的尺寸~HG/T 20592-2009

| DN | 钢管外径, A | 法兰外径, D | 螺栓孔中心圆直径, K | 螺栓孔直径, L | 螺栓孔数 | 螺栓规格 | 密封面直径, d | 密封面高度, f1 | 法兰厚度, C | 颈部直径, N | 接管壁厚, S | 直段长度,H1 | 圆角半径, R | 法兰高度, H | ||
| A系列 | B系列 | A系列 | B系列 | |||||||||||||
| 10 | 17.2 | 14 | 90 | 60 | 14 | 4 | M12 | 40 | 2 | 16 | 28 | 28 | 1.8 | 6 | 4 | 35 |
| 15 | 21.3 | 18 | 95 | 65 | 14 | 4 | M12 | 45 | 2 | 16 | 32 | 32 | 2.0 | 6 | 4 | 38 |
| 20 | 26.9 | 25 | 105 | 75 | 14 | 4 | M12 | 58 | 2 | 18 | 40 | 40 | 2.3 | 6 | 4 | 40 |
| 25 | 33.7 | 32 | 115 | 85 | 14 | 4 | M12 | 68 | 2 | 18 | 46 | 46 | 2.6 | 6 | 4 | 40 |
| 32 | 42.4 | 38 | 140 | 100 | 18 | 4 | M16 | 78 | 2 | 18 | 56 | 56 | 2.6 | 6 | 6 | 42 |
| 40 | 48.3 | 45 | 150 | 110 | 18 | 4 | M16 | 88 | 2 | 18 | 64 | 64 | 2.6 | 7 | 6 | 45 |
| 50 | 60.3 | 57 | 165 | 125 | 18 | 4 | M16 | 102 | 2 | 20 | 75 | 75 | 2.9 | 8 | 6 | 48 |
| 65 | 76.1 | 79 | 185 | 145 | 18 | 8 | M16 | 122 | 2 | 22 | 90 | 90 | 2.9 | 10 | 6 | 52 |
| 80 | 88.9 | 89 | 200 | 160 | 18 | 8 | M16 | 138 | 2 | 24 | 105 | 105 | 3.2 | 12 | 8 | 58 |
| 100 | 114.3 | 108 | 235 | 190 | 22 | 8 | M20 | 162 | 2 | 24 | 134 | 134 | 3.6 | 12 | 8 | 65 |
| 125 | 139.7 | 133 | 270 | 220 | 26 | 8 | M24 | 188 | 2 | 26 | 162 | 162 | 4.0 | 12 | 8 | 68 |
| 150 | 168.3 | 159 | 300 | 250 | 26 | 8 | M24 | 218 | 2 | 28 | 192 | 192 | 4.5 | 12 | 10 | 75 |
| 200 | 219.1 | 219 | 375 | 320 | 30 | 12 | M27 | 285 | 2 | 34 | 244 | 244 | 6.3 | 16 | 10 | 88 |
| 250 | 273 | 273 | 450 | 385 | 33 | 12 | M30 | 345 | 2 | 38 | 306 | 306 | 7.1 | 18 | 12 | 105 |
| 300 | 323.9 | 325 | 515 | 450 | 33 | 16 | M30 | 410 | 2 | 42 | 362 | 362 | 8.0 | 18 | 12 | 115 |
| 350 | 355.6 | 377 | 580 | 510 | 36 | 16 | M33 | 465 | 2 | 46 | 408 | 430 | 8.8 | 20 | 12 | 125 |
| 400 | 406.4 | 426 | 660 | 585 | 39 | 16 | M36 | 535 | 2 | 50 | 462 | 482 | 11.0 | 20 | 12 | 135 |
| 450 | 457 | 480 | 685 | 610 | 39 | 20 | M36 | 560 | 2 | 57 | 500 | 522 | 12.5 | 20 | 12 | 135 |
| 500 | 508 | 530 | 755 | 670 | 42 | 20 | M39 | 615 | 2 | 57 | 562 | 584 | 14.2 | 20 | 12 | 140 |
| 600 | 610 | 630 | 890 | 795 | 48 | 20 | M45 | 735 | 2 | 72 | 666 | 686 | 16.0 | 20 | 12 | 150 |