Class150(PN20)承插焊法兰的尺寸~HG/T 20615-2009
发布时间:2022-11-24 点击数:1271
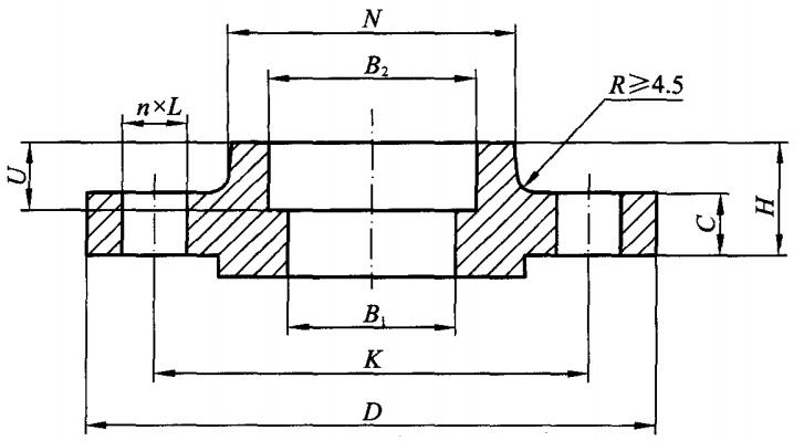
Class150(PN20)承插焊法兰的尺寸~HG/T 20615-2009

| DN | NPS | 钢管外径, A | 法兰外径,D | 螺栓孔中心圆直径,K | 螺栓孔直径,L | 螺栓规格 | 螺栓孔数 | 密封面直径 | 密封面高度 | 法兰厚度,C | 法兰内径,B1 | 承插孔直径,B2 | 承插孔深度,U | 法兰颈大端,N | 法兰高度,H |
| 15 | 1/2 | 21.3 | 90 | 60.3 | 16 | M14 | 4 | 34.9 | 2 | 9.6 | 15.5 | 22.5 | 10 | 30 | 14 |
| 20 | 3/4 | 26.9 | 100 | 69.9 | 16 | M14 | 4 | 42.9 | 2 | 11.2 | 21 | 27.5 | 11 | 38 | 14 |
| 25 | 1 | 33.7 | 110 | 79.4 | 16 | M14 | 4 | 50.8 | 2 | 12.7 | 27 | 34.5 | 13 | 49 | 16 |
| 32 | 1 ¼ | 42.4 | 115 | 88.9 | 16 | M14 | 4 | 63.5 | 2 | 14.3 | 35 | 43.5 | 14 | 59 | 19 |
| 40 | 1 ½ | 48.3 | 125 | 98.4 | 16 | M14 | 4 | 73.0 | 2 | 15.9 | 41 | 49.5 | 16 | 65 | 21 |
| 50 | 2 | 60.3 | 150 | 120.7 | 18 | M16 | 4 | 92.1 | 2 | 17.5 | 52 | 61.5 | 17 | 78 | 24 |
| 65 | 2 ½ | 76.1 | 180 | 139.7 | 18 | M16 | 4 | 104.8 | 2 | 20.7 | 66 | 77.6 | 19 | 90 | 27 |
| 80 | 3 | 88.9 | 190 | 152.4 | 18 | M16 | 4 | 127 | 2 | 22.3 | 77.5 | 90.5 | 21 | 108 | 29 |
法兰内径B1由钢管壁厚确定,表列壁厚相当于采用Sch40壁厚钢管。