Class600(PN110)承插焊法兰的尺寸~HG/T 20615-2009
发布时间:2022-11-24 点击数:912
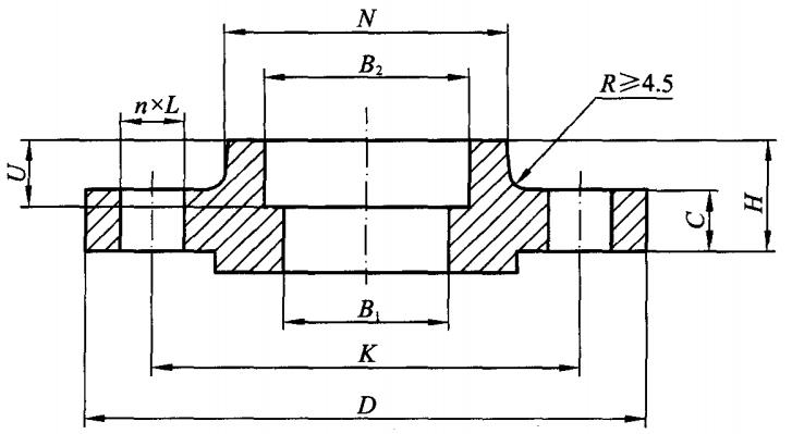
Class600(PN110)承插焊法兰的尺寸~HG/T 20615-2009

| DN | NPS | 钢管外径, A | 法兰外径,D | 螺栓孔中心圆直径,K | 螺栓孔直径,L | 螺栓规格 | 螺栓孔数 | 密封面直径 | 密封面高度 | 法兰厚度,C | 法兰内径,B1 | 承插孔直径,B2 | 承插孔深度,U | 法兰颈大端,N | 法兰高度,H |
| 15 | 1/2 | 21.3 | 95 | 66.7 | 16 | M14 | 4 | 34.9 | 7 | 14.3 | - | 22.5 | 10 | 38 | 22 |
| 20 | 3/4 | 26.9 | 115 | 82.6 | 18 | M16 | 4 | 42.9 | 7 | 15.9 | - | 27.5 | 11 | 48 | 25 |
| 25 | 1 | 33.7 | 125 | 88.9 | 18 | M16 | 4 | 50.8 | 7 | 17.5 | - | 34.5 | 13 | 54 | 27 |
| 32 | 1 ¼ | 42.4 | 135 | 98.4 | 18 | M16 | 4 | 63.5 | 7 | 20.7 | - | 43.5 | 14 | 64 | 29 |
| 40 | 1 ½ | 48.3 | 155 | 114.3 | 22 | M20 | 4 | 73.0 | 7 | 22.3 | - | 49.5 | 16 | 70 | 32 |
| 50 | 2 | 60.3 | 165 | 127 | 18 | M16 | 8 | 92.1 | 7 | 25.4 | - | 61.5 | 17 | 84 | 37 |
| 65 | 2 ½ | 76.1 | 190 | 149.2 | 22 | M20 | 8 | 104.8 | 7 | 28.6 | - | 77.6 | 19 | 100 | 41 |
| 80 | 3 | 88.9 | 210 | 168.3 | 22 | M20 | 8 | 127 | 7 | 31.8 | - | 90.5 | 21 | 117 | 46 |
法兰内径B1由钢管壁厚确定。