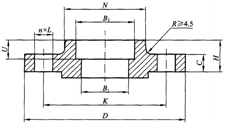
Class1500(PN260)承插焊法兰的尺寸~HG/T 20615-2009
发布时间:2022-11-24 点击数:1020
Class1500(PN260)承插焊法兰的尺寸~HG/T 20615-2009

| NPS | 钢管外径, A | 法兰外径,D | 螺栓孔中心圆直径,K | 螺栓孔直径,L | 螺栓规格 | 螺栓孔数 | 密封面直径 | 密封面高度 | 法兰厚度,C | 法兰内径,B1 | 承插孔直径,B2 | 承插孔深度,U | 法兰颈大端,N | 法兰高度,H |
| 1/2 | 21.3 | 120 | 82.6 | 22 | M20 | 4 | 34.9 | 7 | 22.3 | - | 22.5 | 10 | 38 | 32 |
| 3/4 | 26.9 | 130 | 88.9 | 22 | M20 | 4 | 42.9 | 7 | 25.4 | - | 27.5 | 11 | 44 | 35 |
| 1 | 33.7 | 150 | 101.6 | 26 | M24 | 4 | 50.8 | 7 | 28.6 | - | 34.5 | 13 | 52 | 41 |
| 1 ¼ | 42.4 | 160 | 111.1 | 26 | M24 | 4 | 63.5 | 7 | 28.6 | - | 43.5 | 14 | 64 | 41 |
| 1 ½ | 48.3 | 180 | 123.8 | 30 | M27 | 4 | 73.0 | 7 | 31.8 | - | 49.5 | 16 | 70 | 44 |
| 2 | 60.3 | 215 | 165.1 | 26 | M24 | 8 | 92.1 | 7 | 38.1 | - | 61.5 | 17 | 105 | 57 |
| 2 ½ | 76.1 | 245 | 190.5 | 30 | M27 | 8 | 104.8 | 7 | 41.3 | - | 77.6 | 19 | 124 | 64 |
法兰内径B1由钢管壁厚确定。