A型对焊环板式松套钢制管法兰的尺寸-GB/T 9124.1 PN40
发布时间:2023-01-28 点击数:519
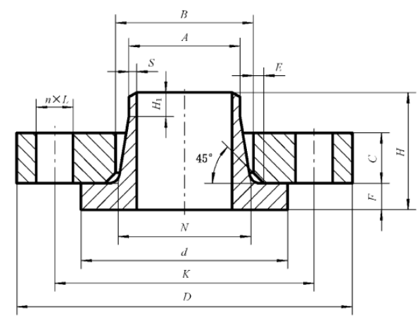
A型对焊环板式松套钢制管法兰的尺寸-GB/T 9124.1 PN40

| DN | 钢管外径 A/ mm |
连接尺寸 | 法兰 厚度 C/ mm |
法兰内径 B/ m |
对焊环 | ||||||||||||||
| 法兰 外径 D/ mm |
螺栓孔中心圆直径 K/ mm |
螺栓孔直径 L/ mm |
螺栓 | 外径 d/ mm |
N/ mm | d/ mm |
F/ mm |
H1/ mm |
H/ mm |
S/ mm |
|||||||||
| 系列I | 系列II | 数量 n/个 |
螺纹 规格 |
系列I | 系列II | E/ mm |
系列I | 系列II | |||||||||||
| 10 | 17.2 | 14 | 90 | 60 | 14 | 4 | M12 | 14 | 31 | 31 | 3 | 40 | 28 | 28 | 40 | 12 | 6 | 35 | 1.8 |
| 15 | 21.3 | 18 | 95 | 65 | 14 | 4 | M12 | 14 | 35 | 35 | 3 | 45 | 32 | 32 | 45 | 12 | 6 | 38 | 2.0 |
| 20 | 26.9 | 25 | 105 | 75 | 14 | 4 | M12 | 16 | 42 | 42 | 4 | 58 | 40 | 40 | 58 | 14 | 6 | 40 | 2.3 |
| 25 | 33.7 | 32 | 115 | 85 | 14 | 4 | M12 | 16 | 49 | 49 | 4 | 68 | 46 | 46 | 68 | 14 | 6 | 40 | 2.6 |
| 32 | 42.4 | 38 | 140 | 100 | 18 | 4 | M16 | 18 | 59 | 59 | 5 | 78 | 56 | 56 | 78 | 14 | 6 | 42 | 2.6 |
| 40 | 48.3 | 45 | 150 | 110 | 18 | 4 | M16 | 18 | 67 | 67 | 5 | 88 | 64 | 64 | 88 | 14 | 7 | 45 | 2.6 |
| 50 | 60.3 | 57 | 165 | 125 | 18 | 4 | M16 | 20 | 77 | 77 | 5 | 102 | 75 | 74 | 102 | 16 | 8 | 48 | 2.9 |
| 65 | 73.0 | 76 | 185 | 145 | 18 | 8 | M16 | 22 | 96 | 96 | 6 | 122 | 90 | 92 | 122 | 16 | 10 | 52 | 2.9 |
| 80 | 88.9 | 89 | 200 | 160 | 18 | 8 | M16 | 24 | 114 | 114 | 6 | 138 | 105 | 110 | 138 | 18 | 12 | 58 | 3.2 |
| 100 | 114.3 | 108 | 235 | 190 | 22 | 8 | M20 | 26 | 138 | 138 | 6 | 162 | 134 | 134 | 162 | 20 | 12 | 65 | 3.6 |
| 125 | 139.7 | 133 | 270 | 220 | 26 | 8 | M24 | 28 | 166 | 166 | 6 | 188 | 162 | 162 | 188 | 22 | 12 | 68 | 4.0 |
| 150 | 168.3 | 159 | 300 | 250 | 26 | 8 | M24 | 30 | 194 | 194 | 6 | 218 | 192 | 190 | 218 | 24 | 12 | 75 | 4.5 |
| 200 | 219.1 | 219 | 375 | 320 | 30 | 12 | M27 | 36 | 250 | 250 | 6 | 285 | 244 | 244 | 285 | 28 | 16 | 88 | 6.3 |
| 250 | 273.0 | 273 | 450 | 385 | 33 | 12 | M30 | 42 | 312 | 312 | 8 | 345 | 306 | 306 | 345 | 30 | 18 | 105 | 7.1 |
| 300 | 323.9 | 325 | 515 | 450 | 33 | 16 | M30 | 52 | 368 | 368 | 8 | 410 | 362 | 362 | 410 | 34 | 18 | 115 | 8.0 |
| 350 | 355.6 | 377 | 580 | 510 | 36 | 16 | M33 | 58 | 418 | 428 | 8 | 465 | 408 | 418 | 465 | 36 | 20 | 125 | 8.8 |
| 400 | 406.4 | 426 | 660 | 585 | 39 | 16 | M36 | 65 | 472 | 490 | 8 | 535 | 462 | 480 | 535 | 42 | 20 | 135 | 11.0 |
| 450 | 457 | 480 | 685 | 610 | 39 | 20 | M36 | 70 | 510 | 540 | 8 | 560 | 500 | 530 | 560 | 46 | 20 | 135 | 12.5 |
| 500 | 508 | 530 | 755 | 670 | 42 | 20 | M39 | 76 | 572 | 590 | 8 | 615 | 562 | 580 | 615 | 50 | 20 | 140 | 14.2 |
| 600 | 610 | 630 | 890 | 795 | 48 | 20 | M45 | 88 | 676 | 696 | 8 | 735 | 666 | 686 | 735 | 54 | 20 | 150 | 16.0 |