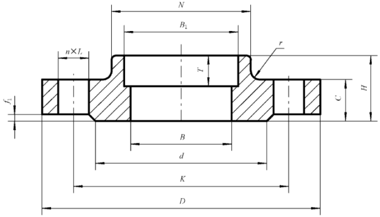
PN63承插焊法兰的尺寸~GB/T 9124.1-2019
发布时间:2023-03-13 点击数:1190
PN63承插焊法兰的尺寸~GB/T 9124.1-2019

| DN | 钢管外径 A / mm |
连接尺寸 | 法兰 厚度 C / mm |
法兰 高度 H / mm |
法兰颈 | 法兰内径 B / m |
承插孔 | 密封面 | ||||||||||
| 法兰外径 D/ mm |
螺栓孔中心圆直径 K / mm |
螺栓孔直径 L / mm |
螺栓 | N / mm | r / mm | B1 / mm | T / mm | |||||||||||
| 系列I | 系列II | 数量 n /个 |
螺纹 规格 |
系列I | 系列II | 系列I | 系列II | d / m | f1 / m | |||||||||
| 10 | 17.2 | 14 | 100 | 70 | 14 | 4 | M12 | 20 | 28 | 40 | 4 | 11.5 | 9 | 18 | 15 | 9 | 40 | 2 |
| 15 | 21.3 | 18 | 105 | 75 | 14 | 4 | M12 | 20 | 28 | 43 | 4 | 15 | 12 | 22 | 19 | 10 | 45 | 2 |
| 20 | 26.9 | 25 | 130 | 90 | 18 | 4 | M16 | 20 | 30 | 52 | 4 | 21 | 19 | 27.5 | 26 | 11 | 58 | 2 |
| 25 | 33.7 | 32 | 140 | 100 | 18 | 4 | M16 | 24 | 32 | 60 | 4 | 27 | 26 | 34.5 | 33 | 13 | 68 | 2 |
| 32 | 42.4 | 38 | 155 | 110 | 22 | 4 | M20 | 24 | 32 | 68 | 6 | 35 | 30 | 43.5 | 39 | 14 | 78 | 2 |
| 40 | 48.3 | 45 | 170 | 125 | 22 | 4 | M20 | 26 | 34 | 80 | 6 | 41 | 37 | 49.5 | 46 | 16 | 88 | 3 |
| 50 | 60.3 | 57 | 180 | 135 | 22 | 4 | M20 | 26 | 36 | 90 | 6 | 52 | 49 | 61.5 | 59 | 17 | 102 | 3 |
注:公称尺寸DN10~DN40的法兰使用PN100法兰的尺寸。