Class2500(PN420)长高颈钢制管法兰(LWN)的尺寸 - HG/T 20615-2009
发布时间:2023-03-17 点击数:528
Class2500(PN420)长高颈钢制管法兰(LWN)的尺寸 - HG/T 20615-2009

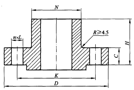
| DN | NPS | 钢管外径,A | 法兰外径,D | 螺栓孔中心圆直径,K | 螺栓孔直径,L | 螺栓规格 | 螺栓 孔数,n |
密封面直径 | 密封面高度 | 法兰厚度,C | 法兰颈部直径,N | 法兰内径,B | 法兰高度,H |
| 15 | 1/2 | 21.3 | 135 | 88.9 | 22 | M20 | 4 | 34.9 | 7 | 30.2 | 43 | - | 229 |
| 20 | 3/4 | 26.7 | 140 | 95.2 | 22 | M20 | 4 | 42.9 | 7 | 31.8 | 51 | - | 229 |
| 25 | 1 | 33.4 | 160 | 108.0 | 26 | M24 | 4 | 50.8 | 7 | 35.0 | 57 | - | 229 |
| 32 | 1 ¼ | 42.2 | 185 | 130.2 | 30 | M27 | 4 | 63.5 | 7 | 38.1 | 73 | - | 229 |
| 40 | 1 ½ | 48.3 | 205 | 146.0 | 33 | M30 | 4 | 73.0 | 7 | 44.5 | 79 | - | 229 |
| 50 | 2 | 60.3 | 235 | 171.4 | 30 | M27 | 8 | 92.1 | 7 | 50.9 | 95 | - | 229 |
| 65 | 2 ½ | 76.1 | 265 | 196.8 | 33 | M30 | 8 | 104.8 | 7 | 57.2 | 114 | - | 229 |
| 80 | 3 | 88.9 | 305 | 228.6 | 36 | M33 | 8 | 127.0 | 7 | 66.7 | 133 | - | 229 |
| 100 | 4 | 114.3 | 355 | 273.0 | 42 | M39 | 8 | 157.2 | 7 | 76.2 | 165 | - | 229 |
| 125 | 5 | 141.3 | 420 | 323.8 | 48 | M45 | 8 | 185.7 | 7 | 92.1 | 203 | - | 305 |
| 150 | 6 | 168.3 | 485 | 368.3 | 55 | M52 | 8 | 215.9 | 7 | 108.0 | 235 | - | 305 |
| 200 | 8 | 219.1 | 550 | 438.2 | 55 | M52 | 12 | 269.9 | 7 | 127.0 | 305 | - | 305 |
| 250 | 10 | 273.0 | 675 | 539.8 | 68 | M64 | 12 | 323.8 | 7 | 165.1 | 375 | - | 305 |
| 300 | 12 | 323.8 | 760 | 619.1 | 74 | M70 | 12 | 381.0 | 7 | 184.2 | 441 | - | 305 |
法兰内径B由钢管壁厚确定。