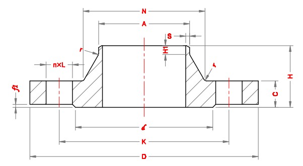
PN63带颈对焊法兰的尺寸~GB/T 9124.1-2019
发布时间:2023-06-28 点击数:928
PN63带颈对焊法兰的尺寸~GB/T 9124.1-2019

| 公称 尺寸 DN |
钢管外径 A /mm |
连接尺寸 | 突面 直径 d/ mm |
突面 高度 f1/ mm |
法兰 厚度 C/ mm |
法兰 高度 H/ mm |
法兰颈 | |||||||||
| 法兰 外径 D/ mm |
螺栓孔中心距 K/ mm |
螺栓孔直径 L/ mm |
螺栓 | N/ mm | Smin/ mm |
H1/ mm |
r/ mm |
|||||||||
| 系列Ⅰ | 系列Ⅱ | 数量 n/个 |
螺纹 规格 |
系列Ⅰ | 系列Ⅱ | |||||||||||
| 10 | 17.2 | 14 | 100 | 70 | 14 | 4 | M12 | 40 | 2 | 20 | 45 | 32 | 2.0 | 6 | 4 | |
| 15 | 21.3 | 18 | 105 | 75 | 14 | 4 | M12 | 45 | 2 | 20 | 45 | 34 | 2.0 | 6 | 4 | |
| 20 | 26.9 | 25 | 130 | 90 | 18 | 4 | M16 | 58 | 2 | 22 | 48 | 42 | 2.6 | 8 | 4 | |
| 25 | 33.7 | 32 | 140 | 100 | 18 | 4 | M16 | 68 | 2 | 24 | 58 | 52 | 2.6 | 8 | 4 | |
| 32 | 42.4 | 38 | 155 | 110 | 22 | 4 | M20 | 78 | 2 | 24 | 60 | 62 | 2.9 | 8 | 6 | |
| 40 | 48.3 | 45 | 170 | 125 | 22 | 4 | M20 | 88 | 3 | 26 | 62 | 70 | 2.9 | 10 | 6 | |
| 50 | 60.3 | 57 | 180 | 135 | 22 | 4 | M20 | 102 | 3 | 26 | 62 | 82 | 4.0 | 10 | 6 | |
| 65 | 76.1 | 79 | 205 | 160 | 22 | 8 | M20 | 122 | 3 | 26 | 68 | 98 | 4.0 | 12 | 6 | |
| 80 | 88.9 | 89 | 215 | 170 | 22 | 8 | M20 | 138 | 3 | 28 | 72 | 112 | 4.5 | 12 | 8 | |
| 100 | 114.3 | 108 | 250 | 200 | 26 | 8 | M24 | 162 | 3 | 30 | 78 | 138 | 4.5 | 12 | 8 | |
| 125 | 141.3 | 133 | 295 | 240 | 30 | 8 | M27 | 188 | 3 | 34 | 88 | 168 | 5.6 | 12 | 8 | |
| 150 | 168.3 | 159 | 345 | 280 | 33 | 8 | M30 | 218 | 3 | 36 | 95 | 202 | 6.3 | 12 | 10 | |
| 200 | 219.1 | 219 | 415 | 345 | 36 | 12 | M33 | 285 | 3 | 42 | 110 | 256 | 7.1 | 16 | 10 | |
| 250 | 273.0 | 273 | 470 | 400 | 36 | 12 | M33 | 345 | 3 | 46 | 125 | 316 | 8.8 | 18 | 12 | |
| 300 | 323.9 | 325 | 530 | 460 | 36 | 16 | M33 | 410 | 4 | 52 | 140 | 372 | 11.0 | 18 | 12 | |
| 350 | 355.6 | 377 | 600 | 525 | 39 | 16 | M36 | 465 | 4 | 56 | 150 | 420 | 430 | 12.5 | 20 | 12 |
| 400 | 406.4 | 426 | 670 | 585 | 42 | 16 | M39 | 535 | 4 | 60 | 160 | 475 | 484 | 14.2 | 20 | 12 |
注:公称尺寸DN10~DN40的法兰使用PN100法兰的尺寸。