PN250带颈对焊法兰的尺寸~GB/T 9124.1-2019
发布时间:2023-06-28 点击数:710
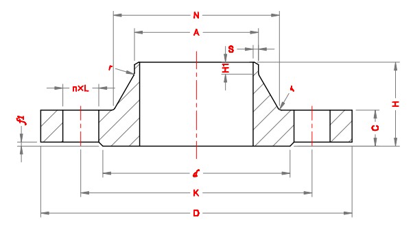
PN250带颈对焊法兰的尺寸~GB/T 9124.1-2019

| 公称 尺寸 DN |
钢管外径 A /mm |
连接尺寸 | 突面 直径 d/ mm |
突面 高度 f1/ mm |
法兰 厚度 C/ mm |
法兰 高度 H/ mm |
法兰颈 | |||||||||
| 法兰 外径 D/ mm |
螺栓孔中心距 K/ mm |
螺栓孔直径 L/ mm |
螺栓 | N/ mm | Smin/ mm |
H1/ mm |
r/ mm |
|||||||||
| 系列Ⅰ | 系列Ⅱ | 数量 n/个 |
螺纹 规格 |
系列Ⅰ | 系列Ⅱ | |||||||||||
| 10 | 17.2 | 125 | 85 | 18 | 4 | M16 | 40 | 2 | 24 | 58 | 44 | 2.6 | 6 | 4 | ||
| 15 | 21.3 | 130 | 90 | 18 | 4 | M16 | 45 | 2 | 26 | 60 | 48 | 2.6 | 6 | 4 | ||
| 20 | 26.9 | 135 | 95 | 18 | 4 | M16 | 58 | 2 | 28 | 62 | 54 | 3.2 | 8 | 4 | ||
| 25 | 33.7 | 150 | 105 | 22 | 4 | M20 | 68 | 2 | 28 | 65 | 60 | 3.6 | 8 | 4 | ||
| 32 | 42.4 | 165 | 120 | 22 | 4 | M20 | 78 | 2 | 32 | 70 | 72 | 4.0 | 8 | 4 | ||
| 40 | 48.3 | 185 | 135 | 26 | 4 | M24 | 88 | 3 | 34 | 80 | 84 | 5.0 | 10 | 6 | ||
| 50 | 60.3 | 200 | 150 | 26 | 8 | M24 | 102 | 3 | 38 | 85 | 95 | 6.3 | 10 | 6 | ||
| 65 | 76.1 | 230 | 180 | 26 | 8 | M24 | 122 | 3 | 42 | 95 | 124 | 8.0 | 12 | 6 | ||
| 80 | 101.6 | 255 | 200 | 30 | 8 | M27 | 138 | 3 | 46 | 102 | 136 | 11.0 | 12 | 8 | ||
| 100 | 127.0 | 300 | 235 | 33 | 8 | M30 | 162 | 3 | 54 | 120 | 164 | 14.2 | 14 | 8 | ||
| 125 | 152.4 | 340 | 275 | 33 | 12 | M30 | 188 | 3 | 60 | 140 | 200 | 16.0 | 16 | 8 | ||
| 150 | 177.8 | 390 | 320 | 36 | 12 | M33 | 218 | 3 | 68 | 160 | 240 | 17.5 | 18 | 10 | ||
| 200 | 244.5 | 485 | 400 | 42 | 12 | M39 | 285 | 3 | 82 | 190 | 305 | 25.0 | 25 | 10 | ||
| 250 | 298.5 | 585 | 490 | 48 | 16 | M45 | 345 | 3 | 100 | 215 | 385 | 32.0 | 30 | 12 | ||
注:公称尺寸DN10的法兰使用PN320法兰的尺寸。