PN400带颈对焊法兰的尺寸~GB/T 9124.1-2019
发布时间:2023-06-28 点击数:701
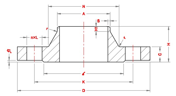
PN400带颈对焊法兰的尺寸~GB/T 9124.1-2019

| 公称 尺寸 DN |
钢管外径 A /mm |
连接尺寸 | 突面 直径 d/ mm |
突面 高度 f1/ mm |
法兰 厚度 C/ mm |
法兰 高度 H/ mm |
法兰颈 | |||||||||
| 法兰 外径 D/ mm |
螺栓孔中心距 K/ mm |
螺栓孔直径 L/ mm |
螺栓 | N/ mm | Smin/ mm |
H1/ mm |
r/ mm |
|||||||||
| 系列Ⅰ | 系列Ⅱ | 数量 n/个 |
螺纹 规格 |
系列Ⅰ | 系列Ⅱ | |||||||||||
| 10 | 17.2 | 125 | 85 | 18 | 4 | M16 | 40 | 2 | 28 | 65 | 48 | 3.6 | 8 | 4 | ||
| 15 | 26.9 | 145 | 100 | 22 | 4 | M20 | 45 | 2 | 30 | 68 | 56 | 5.0 | 8 | 4 | ||
| 20 | 33.7 | 160 | 115 | 22 | 4 | M20 | 58 | 2 | 34 | 80 | 70 | 6.3 | 10 | 4 | ||
| 25 | 42.4 | 180 | 130 | 26 | 4 | M24 | 68 | 2 | 38 | 90 | 82 | 7.1 | 10 | 4 | ||
| 32 | 48.3 | 200 | 145 | 26 | 4 | M24 | 78 | 2 | 43 | 100 | 94 | 8.8 | 12 | 6 | ||
| 40 | 60.3 | 220 | 165 | 30 | 4 | M27 | 88 | 3 | 48 | 110 | 106 | 10.0 | 12 | 6 | ||
| 50 | 76.1 | 235 | 180 | 30 | 8 | M27 | 102 | 3 | 52 | 120 | 120 | 12.5 | 15 | 6 | ||
| 65 | 101.6 | 290 | 225 | 33 | 8 | M30 | 122 | 3 | 64 | 135 | 158 | 16.0 | 18 | 6 | ||
| 80 | 114.3 | 305 | 240 | 33 | 8 | M30 | 138 | 3 | 68 | 150 | 174 | 17.5 | 20 | 8 | ||
| 100 | 139.7 | 370 | 295 | 39 | 8 | M36 | 162 | 3 | 80 | 175 | 216 | 22.2 | 25 | 8 | ||
| 125 | 193.7 | 415 | 340 | 39 | 12 | M36 | 188 | 3 | 92 | 200 | 258 | 30.0 | 30 | 8 | ||
| 150 | 219.1 | 475 | 390 | 42 | 12 | M39 | 218 | 3 | 105 | 225 | 302 | 35.0 | 35 | 10 | ||
| 200 | 273.0 | 585 | 490 | 48 | 16 | M45 | 285 | 3 | 130 | 280 | 388 | 40.0 | 40 | 10 | ||