当前位置: 首页 > 半岛电竞官方网站首页下载安卓 > 锻制法兰 >承插焊法兰 Class300 ASME B16.5

承插焊法兰 Class300 ASME B16.5

  • 价格:面议

产品介绍

    承插焊法兰 Class300 ASME B16.5

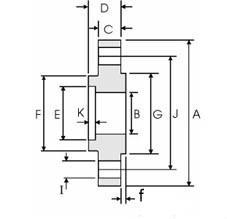
    DN

    NPS

    Overall Diameter

    Inside Diameter

    Thickness of Flange(Min.)

    Overall Lenght

    Diameter of Socket

    Depth of Socket

    Diameter of Hub

    Diameter of Face

    Number of Bolts

    Diameter of Bolt Holes

    Diameter of Bolt Circle

    A

    B

    C

    D

    E

    K

    F

    G

    H

    I

    J

    15

    1/2

    95

    15.8

    12.7

    21

    22.2

    10

    38

    34.9

    4

    15.7

    66.7

    20

    3/4

    115

    20.9

    14.3

    24

    27.7

    11

    48

    42.9

    4

    19

    82.6

    25

    1

    125

    26.6

    15.9

    25

    34.5

    13

    54

    50.8

    4

    19

    88.9

    32

    1 ¼

    135

    35.1

    17.5

    25

    43.2

    14

    64

    63.5

    4

    19

    98.4

    40

    1 ½

    155

    40.9

    19.1

    29

    49.5

    16

    70

    73

    4

    22.3

    114.3

    50

    2

    165

    52.5

    20.7

    32

    61.9

    17

    84

    92.1

    8

    19

    127

    65

    2 ½

    190

    62.7

    23.9

    37

    74.6

    19

    100

    104.8

    8

    22.3

    149.2

    80

    3

    210

    77.9

    27

    41

    90.7

    21

    117

    127

    8

    22.3

    168.3

在线客服
  • 销售热线
    13031891590

半岛BD体育官网在线观看
Baidu
map