当前位置: 首页 > 半岛电竞官方网站首页下载安卓 > 锻制法兰 >ASME B16.5 承插焊法兰 Class600

ASME B16.5 承插焊法兰 Class600

  • 价格:面议

产品介绍

    ASME B16.5 承插焊法兰 Class600

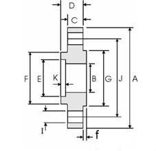
    DN

    NPS

    Overall Diameter

    Inside Diameter

    Thickness of Flange(Min.)

    Overall Lenght

    Diameter of Socket

    Depth of Socket

    Diameter of Hub

    Diameter of Face

    Number of Bolts

    Diameter of Bolt Holes

    Diameter of Bolt Circle

    A

    B

    C

    D

    E

    K

    F

    G

    H

    I

    J

    15

    1/2

    95

    14.3

    22

    22.2

    10

    38

    34.9

    4

    15.7

    66.7

    20

    3/4

    115

    15.9

    25

    27.7

    11

    48

    42.9

    4

    19

    82.6

    25

    1

    125

    17.5

    27

    34.5

    13

    54

    50.8

    4

    19

    88.9

    32

    1 ¼

    135

    20.7

    29

    43.2

    14

    64

    63.5

    4

    19

    98.4

    40

    1 ½

    155

    22.3

    32

    49.5

    16

    70

    73

    4

    22.3

    114.3

    50

    2

    165

    25.4

    37

    61.9

    17

    84

    92.1

    8

    19

    127

    65

    2 ½

    190

    28.6

    41

    74.6

    19

    100

    104.8

    8

    22.3

    149.2

    80

    3

    210

    31.8

    46

    90.7

    21

    117

    127

    8

    22.3

    168.3

在线客服
  • 销售热线
    13031891590

半岛BD体育官网在线观看
Baidu
map