当前位置: 首页 > 半岛电竞官方网站首页下载安卓 > 锻制法兰 >Class1500承插焊法兰 ASME B16.5

Class1500承插焊法兰 ASME B16.5

  • 价格:面议

产品介绍

    Class1500承插焊法兰ASME B16.5

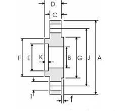
    DN

    NPS

    Overall Diameter

    Inside Diameter

    Thickness of Flange(Min.)

    Overall Lenght

    Diameter of Socket

    Depth of Socket

    Diameter of Hub

    Diameter of Face

    Number of Bolts

    Diameter of Bolt Holes

    Diameter of Bolt Circle

    A

    B

    C

    D

    E

    K

    F

    G

    H

    I

    J

    15

    1/2

    120

    22.3

    32

    22.2

    10

    38

    34.9

    4

    22.3

    82.6

    20

    3/4

    130

    25.4

    35

    27.7

    11

    44

    42.9

    4

    22.3

    88.9

    25

    1

    150

    28.6

    41

    34.5

    13

    52

    50.8

    4

    25.4

    101.6

    32

    1 ¼

    160

    28.6

    41

    43.2

    14

    64

    63.5

    4

    25.4

    111.1

    40

    1 ½

    180

    31.8

    44

    49.5

    16

    70

    73

    4

    28.4

    123.8

    50

    2

    215

    38.1

    57

    61.9

    17

    105

    92.1

    8

    25.4

    165.1

    65

    2 ½

    245

    41.3

    64

    74.6

    19

    124

    104.8

    8

    28.4

    190.5

在线客服
  • 销售热线
    13031891590

半岛BD体育官网在线观看
Baidu
map