ASME B16.47 A 系列 CL400 带颈对焊法兰的尺寸
发布时间:2016-01-07 点击数:3515
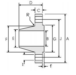
ASME B16.47 A 系列 CL400 带颈对焊法兰的尺寸

| DN | NPS | 法兰外径 | 法兰内径 | 法兰厚度(Min.) | 法兰 高度 |
坡口处 外径 |
径部 直径 |
密封面 直径 |
密封面高度 | 螺栓孔数 | 螺孔孔直径 | 螺栓孔中心圆直径 | 圆角 半径 ( Min.) |
| A | B | C | D | E | F | G | f | n | I | J | R | ||
| 650 | 26 | 970 | - | 88.9 | 194 | 660.4 | 727 | 749 | 7 | 28 | 47.6 | 876.3 | 11 |
| 700 | 28 | 1035 | - | 95.3 | 206 | 711.2 | 783 | 800 | 7 | 28 | 50.8 | 939.8 | 13 |
| 750 | 30 | 1090 | - | 101.6 | 219 | 762.0 | 837 | 857 | 7 | 28 | 54.0 | 997.0 | 13 |
| 800 | 32 | 1150 | - | 108.0 | 232 | 812.8 | 889 | 914 | 7 | 28 | 54.0 | 1054.1 | 13 |
| 850 | 34 | 1205 | - | 111.2 | 241 | 863.6 | 945 | 965 | 7 | 28 | 54.0 | 1104.9 | 14 |
| 900 | 36 | 1270 | - | 114.3 | 251 | 914.4 | 1000 | 1022 | 7 | 32 | 54.0 | 1168.4 | 14 |
| 950 | 38 | 1205 | - | 123.9 | 206 | 965.2 | 1003 | 1035 | 7 | 32 | 47.6 | 1117.6 | 14 |
| 1000 | 40 | 1270 | - | 130.2 | 216 | 1016.0 | 1054 | 1092 | 7 | 32 | 50.8 | 1174.8 | 14 |
| 1050 | 42 | 1320 | - | 133.4 | 224 | 1066.8 | 1108 | 1143 | 7 | 32 | 50.8 | 1225.6 | 14 |
| 1100 | 44 | 1385 | - | 139.7 | 233 | 1117.6 | 1159 | 1200 | 7 | 32 | 54.0 | 1282.7 | 14 |
| 1150 | 46 | 1440 | - | 146.1 | 244 | 1168.4 | 1213 | 1257 | 7 | 36 | 54.0 | 1339.8 | 14 |
| 1200 | 48 | 1510 | - | 152.4 | 257 | 1219.2 | 1267 | 1308 | 7 | 28 | 60.3 | 1403.4 | 14 |
| 1250 | 50 | 1570 | - | 157.2 | 268 | 1270.0 | 1321 | 1362 | 7 | 32 | 60.3 | 1460.5 | 14 |
| 1300 | 52 | 1620 | - | 162.0 | 276 | 1320.8 | 1372 | 1413 | 7 | 32 | 60.3 | 1511.3 | 14 |
| 1350 | 54 | 1700 | - | 169.9 | 289 | 1371.6 | 1426 | 1470 | 7 | 28 | 66.7 | 1581.2 | 14 |
| 1400 | 56 | 1755 | - | 174.7 | 298 | 1422.4 | 1480 | 1527 | 7 | 32 | 66.7 | 1632.0 | 14 |
| 1450 | 58 | 1805 | - | 177.8 | 306 | 1473.2 | 1530 | 1578 | 7 | 32 | 66.7 | 1682.8 | 14 |
| 1500 | 60 | 1885 | - | 185.8 | 319 | 1524.0 | 1584 | 1635 | 7 | 32 | 73.0 | 1752.6 | 14 |
法兰内径B由采购方指定,与钢管保持一致