ASME B16.47 A 系列 CL600 带颈对焊法兰的尺寸
发布时间:2016-01-07 点击数:4265
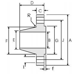
ASME B16.47 A 系列 CL600 带颈对焊法兰的尺寸

| DN | NPS | 法兰外径 | 法兰内径 | 法兰厚度(Min.) | 法兰 高度 |
坡口处 外径 |
径部 直径 |
密封面 直径 |
密封面高度 | 螺栓孔数 | 螺孔孔直径 | 螺栓孔中心圆直径 | 圆角 半径 ( Min.) |
| A | B | C | D | E | F | G | f | n | I | J | R | ||
| 650 | 26 | 1015 | - | 108.0 | 222 | 660.4 | 748 | 749 | 7 | 28 | 50.8 | 914.4 | 13 |
| 700 | 28 | 1075 | - | 111.2 | 235 | 711.2 | 803 | 800 | 7 | 28 | 54.0 | 965.2 | 13 |
| 750 | 30 | 1130 | - | 114.3 | 248 | 762.0 | 862 | 857 | 7 | 28 | 54.0 | 1022.4 | 13 |
| 800 | 32 | 1195 | - | 117.5 | 260 | 812.8 | 918 | 914 | 7 | 28 | 60.3 | 1079.5 | 13 |
| 850 | 34 | 1245 | - | 120.7 | 270 | 863.6 | 973 | 965 | 7 | 28 | 60.3 | 1130.3 | 14 |
| 900 | 36 | 1315 | - | 123.9 | 283 | 914.4 | 1032 | 1022 | 7 | 28 | 54.0 | 1193.8 | 14 |
| 950 | 38 | 1270 | - | 152.4 | 254 | 965.2 | 1022 | 1054 | 7 | 28 | 60.3 | 1162.0 | 14 |
| 1000 | 40 | 1320 | - | 158.8 | 264 | 1016.0 | 1073 | 1111 | 7 | 32 | 60.3 | 1212.8 | 14 |
| 1050 | 42 | 1405 | - | 168.3 | 279 | 1066.8 | 1127 | 1168 | 7 | 28 | 54.0 | 1282.7 | 14 |
| 1100 | 44 | 1455 | - | 173.1 | 289 | 1117.6 | 1181 | 1226 | 7 | 32 | 54.0 | 1333.5 | 14 |
| 1150 | 46 | 1510 | - | 179.4 | 300 | 1168.4 | 1235 | 1276 | 7 | 32 | 54.0 | 1390.6 | 14 |
| 1200 | 48 | 1595 | - | 189.0 | 316 | 1219.2 | 1289 | 1334 | 7 | 32 | 73.0 | 1460.5 | 14 |
| 1250 | 50 | 1670 | - | 196.9 | 329 | 1270.0 | 1343 | 1384 | 7 | 28 | 79.4 | 1524.0 | 14 |
| 1300 | 52 | 1720 | - | 203.2 | 337 | 1320.8 | 1394 | 1435 | 7 | 32 | 79.4 | 1574.8 | 14 |
| 1350 | 54 | 1780 | - | 209.6 | 349 | 1371.6 | 1448 | 1492 | 7 | 32 | 79.4 | 1632.0 | 14 |
| 1400 | 56 | 1855 | - | 217.5 | 362 | 1422.4 | 1502 | 1543 | 7 | 32 | 85.7 | 1695.4 | 16 |
| 1450 | 58 | 1905 | - | 222.3 | 370 | 1473.2 | 1553 | 1600 | 7 | 32 | 85.7 | 1746.2 | 16 |
| 1500 | 60 | 1995 | - | 233.4 | 389 | 1524.0 | 1610 | 1657 | 7 | 28 | 92.1 | 1822.4 | 17 |
法兰内径B由采购方指定,与钢管保持一致。