ASME B16.47 A 系列 CL900 带颈对焊法兰的尺寸
发布时间:2016-01-07 点击数:3414
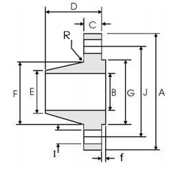
ASME B16.47 A 系列 CL900 带颈对焊法兰的尺寸

| DN | NPS | 法兰外径 | 法兰内径 | 法兰厚度(Min.) | 法兰 高度 |
坡口处 外径 |
径部 直径 |
密封面 直径 |
密封面高度 | 螺栓孔数 | 螺孔孔直径 | 螺栓孔中心圆直径 | 圆角 半径 ( Min.) |
| A | B | C | D | E | F | G | f | n | I | J | R | ||
| 650 | 26 | 1085 | - | 139.7 | 286 | 660.4 | 775 | 749 | 7 | 20 | 73.0 | 952.5 | 11 |
| 700 | 28 | 1170 | - | 142.9 | 298 | 711.2 | 832 | 800 | 7 | 20 | 79.4 | 1022.4 | 13 |
| 750 | 30 | 1230 | - | 149.3 | 311 | 762.0 | 889 | 857 | 7 | 20 | 79.4 | 1085.8 | 13 |
| 800 | 32 | 1315 | - | 158.8 | 330 | 812.8 | 946 | 914 | 7 | 20 | 85.7 | 1155.7 | 13 |
| 850 | 34 | 1395 | - | 165.1 | 349 | 863.6 | 1006 | 965 | 7 | 20 | 92.0 | 1225.6 | 14 |
| 900 | 36 | 1460 | - | 171.5 | 362 | 914.4 | 1064 | 1022 | 7 | 20 | 92.0 | 1289.0 | 14 |
| 950 | 38 | 1460 | - | 190.5 | 352 | 965.2 | 1073 | 1099 | 7 | 20 | 92.0 | 1289.0 | 19 |
| 1000 | 40 | 1510 | - | 196.9 | 364 | 1016.0 | 1127 | 1162 | 7 | 24 | 92.0 | 1339.8 | 21 |
| 1050 | 42 | 1560 | - | 206.4 | 371 | 1066.8 | 1176 | 1213 | 7 | 24 | 92.0 | 1390.6 | 21 |
| 1100 | 44 | 1650 | - | 214.4 | 391 | 1117.6 | 1235 | 1270 | 7 | 24 | 98.4 | 1463.7 | 22 |
| 1150 | 46 | 1735 | - | 225.5 | 411 | 1168.4 | 1292 | 1334 | 7 | 24 | 104.8 | 1536.7 | 22 |
| 1200 | 48 | 1785 | - | 233.4 | 419 | 1219.2 | 1343 | 1384 | 7 | 24 | 104.8 | 1587.5 | 24 |