ASME B16.47 A 系列 Class600 法兰盖的尺寸
发布时间:2016-01-11 点击数:3727
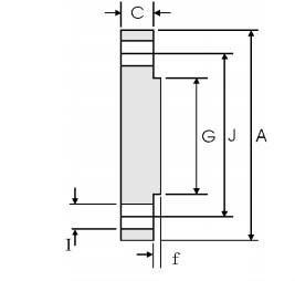
ASME B16.47 A 系列 Class600 法兰盖的尺寸

| DN | NPS | 法兰外径 A |
法兰厚度 (最小值)C |
密封面直径G | 密封面厚度f | 螺栓孔中心圆直径J | 螺栓孔直径I | 螺栓孔数量 | 螺栓规格(英寸) |
| 650 | 26 | 1015 | 125.5 | 749 | 7 | 914.4 | 50.8 | 28 | 17⁄8 |
| 700 | 28 | 1075 | 131.8 | 800 | 7 | 965.2 | 54.0 | 28 | 2 |
| 750 | 30 | 1130 | 139.7 | 857 | 7 | 1022.4 | 54.0 | 28 | 2 |
| 800 | 32 | 1195 | 147.7 | 914 | 7 | 1079.5 | 60.3 | 28 | 21⁄4 |
| 850 | 34 | 1245 | 154.0 | 965 | 7 | 1130.3 | 60.3 | 28 | 21⁄4 |
| 900 | 36 | 1315 | 162.0 | 1022 | 7 | 1193.8 | 66.7 | 28 | 21⁄2 |
| 950 | 38 | 1270 | 155.0 | 1054 | 7 | 1162.0 | 60.3 | 28 | 21⁄4 |
| 1000 | 40 | 1320 | 162.0 | 1111 | 7 | 1212.8 | 60.3 | 32 | 21⁄4 |
| 1050 | 42 | 1405 | 171.5 | 1168 | 7 | 1282.7 | 66.7 | 28 | 21⁄2 |
| 1100 | 44 | 1455 | 177.8 | 1226 | 7 | 1333.5 | 66.7 | 32 | 21⁄2 |
| 1150 | 46 | 1510 | 185.8 | 1276 | 7 | 1390.6 | 66.7 | 32 | 21⁄2 |
| 1200 | 48 | 1595 | 195.3 | 1334 | 7 | 1460.5 | 73.0 | 32 | 23⁄4 |
| 1250 | 50 | 1670 | 203.2 | 1384 | 7 | 1524.0 | 79.4 | 28 | 3 |
| 1300 | 52 | 1720 | 209.6 | 1435 | 7 | 1574.8 | 79.4 | 32 | 3 |
| 1350 | 54 | 1780 | 217.5 | 1492 | 7 | 1632.0 | 79.4 | 32 | 3 |
| 1400 | 56 | 1855 | 225.5 | 1543 | 7 | 1695.4 | 85.7 | 32 | 31⁄4 |
| 1450 | 58 | 1905 | 231.8 | 1600 | 7 | 1746.2 | 85.7 | 32 | 31⁄4 |
| 1500 | 60 | 1995 | 242.9 | 1657 | 7 | 1822.4 | 92.1 | 28 | 31⁄2 |