ASME B16.47 A 系列 Class900 法兰盖的尺寸
发布时间:2016-01-11 点击数:3348
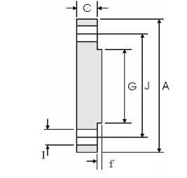
ASME B16.47 A 系列 Class900 法兰盖的尺寸

| DN | NPS | 法兰外径 A |
法兰厚度 (最小值)C |
密封面直径G | 密封面厚度f | 螺栓孔中心圆直径J | 螺栓孔直径I | 螺栓孔数量 | 螺栓规格(英寸) |
| 650 | 26 | 1085 | 160.4 | 749 | 7 | 952.5 | 73.0 | 20 | 23⁄4 |
| 700 | 28 | 1170 | 171.5 | 800 | 7 | 1022.4 | 79.4 | 20 | 3 |
| 750 | 30 | 1230 | 182.6 | 857 | 7 | 1085.8 | 79.4 | 20 | 3 |
| 800 | 32 | 1315 | 193.7 | 914 | 7 | 1155.7 | 85.7 | 20 | 31⁄4 |
| 850 | 34 | 1395 | 204.8 | 965 | 7 | 1225.6 | 92.0 | 20 | 31⁄2 |
| 900 | 36 | 1460 | 214.4 | 1022 | 7 | 1289.0 | 92.0 | 20 | 31⁄2 |
| 950 | 38 | 1460 | 215.9 | 1099 | 7 | 1289.0 | 92.0 | 20 | 31⁄2 |
| 1000 | 40 | 1510 | 223.9 | 1162 | 7 | 1339.8 | 92.0 | 24 | 31⁄2 |
| 1050 | 42 | 1560 | 231.8 | 1213 | 7 | 1390.6 | 92.0 | 24 | 31⁄2 |
| 1100 | 44 | 1650 | 242.9 | 1270 | 7 | 1463.7 | 98.4 | 24 | 33⁄4 |
| 1150 | 46 | 1735 | 255.6 | 1334 | 7 | 1536.7 | 104.8 | 24 | 4 |
| 1200 | 48 | 1785 | 263.6 | 1384 | 7 | 1587.5 | 104.8 | 24 | 4 |