ASME B16.47 B 系列 Class75 带颈对焊法兰的尺寸
发布时间:2016-01-16 点击数:4192
ASME B16.47 B 系列 Class75 带颈对焊法兰的尺寸

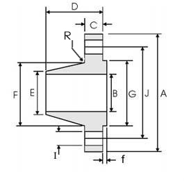
| DN | NPS | 法兰 外径 |
法兰 内径 |
法兰厚度(Min.) | 法兰 高度 |
坡口处 外径 |
径部 直径 |
密封面 直径 |
密封面 高度 |
螺栓 孔数 |
螺孔孔 直径 |
螺栓孔中心圆直径 | 圆角 半径 ( Min.) |
| A | B | C | D | E | F | G | f | n | I | J | R | ||
| 650 | 26 | 760 | - | 31.9 | 57 | 661.9 | 676 | 705 | 2 | 36 | 19.1 | 723.9 | 8 |
| 700 | 28 | 815 | - | 31.9 | 60 | 712.7 | 727 | 756 | 2 | 40 | 19.1 | 774.7 | 8 |
| 750 | 30 | 865 | - | 31.9 | 64 | 763.5 | 778 | 806 | 2 | 44 | 19.1 | 825.5 | 8 |
| 800 | 32 | 915 | - | 33.5 | 68 | 814.3 | 829 | 857 | 2 | 48 | 19.1 | 876.3 | 8 |
| 850 | 34 | 965 | - | 33.5 | 72 | 865.1 | 879 | 908 | 2 | 52 | 19.1 | 927.1 | 8 |
| 900 | 36 | 1035 | - | 35.0 | 84 | 915.9 | 935 | 965 | 2 | 40 | 22.2 | 992.2 | 10 |
| 950 | 38 | 1085 | - | 36.6 | 87 | 966.7 | 986 | 1016 | 2 | 40 | 22.2 | 1043.0 | 10 |
| 1000 | 40 | 1135 | - | 36.6 | 91 | 1017.5 | 1037 | 1067 | 2 | 44 | 22.2 | 1093.8 | 10 |
| 1050 | 42 | 1185 | - | 38.2 | 94 | 1068.3 | 1087 | 1118 | 2 | 48 | 22.2 | 1144.6 | 10 |
| 1100 | 44 | 1250 | - | 41.4 | 103 | 1119.1 | 1140 | 1175 | 2 | 36 | 25.4 | 1203.3 | 10 |
| 1150 | 46 | 1300 | - | 43.0 | 106 | 1169.9 | 1191 | 1226 | 2 | 40 | 25.4 | 1254.1 | 10 |
| 1200 | 48 | 1355 | - | 44.6 | 110 | 1220.7 | 1241 | 1276 | 2 | 44 | 25.4 | 1304.9 | 10 |
| 1250 | 50 | 1405 | - | 46.2 | 114 | 1271.5 | 1294 | 1327 | 2 | 44 | 25.4 | 1355.7 | 10 |
| 1300 | 52 | 1455 | - | 46.2 | 119 | 1322.3 | 1345 | 1378 | 2 | 48 | 25.4 | 1409.7 | 10 |
| 1350 | 54 | 1510 | - | 47.8 | 124 | 1373.1 | 1397 | 1429 | 2 | 48 | 25.4 | 1460.5 | 10 |
| 1400 | 56 | 1575 | - | 49.3 | 133 | 1423.9 | 1451 | 1486 | 2 | 40 | 28.6 | 1520.8 | 11 |
| 1450 | 58 | 1625 | - | 50.9 | 137 | 1474.7 | 1502 | 1537 | 2 | 44 | 28.6 | 1571.6 | 11 |
| 1500 | 60 | 1675 | - | 54.1 | 143 | 1525.5 | 1553 | 1588 | 2 | 44 | 28.6 | 1622.4 | 11 |
法兰内径B由采购方指定,与钢管保持一致。