ASME B16.47 B 系列 Class150 带颈对焊法兰的尺寸
发布时间:2016-01-16 点击数:5224
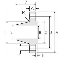
ASME B16.47 B 系列 Class150 带颈对焊法兰的尺寸

| DN | NPS | 法兰 外径 |
法兰 内径 |
法兰厚度(Min.) | 法兰 高度 |
坡口处 外径 |
径部 直径 |
密封面 直径 |
密封面 高度 |
螺栓 孔数 |
螺孔孔 直径 |
螺栓孔中心圆直径 | 圆角 半径 ( Min.) |
| A | B | C | D | E | F | G | f | n | I | J | R | ||
| 650 | 26 | 785 | - | 39.8 | 87 | 661.9 | 684 | 711 | 2 | 36 | 22.2 | 744.5 | 10 |
| 700 | 28 | 835 | - | 43.0 | 94 | 712.7 | 735 | 762 | 2 | 40 | 22.2 | 795.3 | 10 |
| 750 | 30 | 885 | - | 43.0 | 98 | 763.5 | 787 | 813 | 2 | 44 | 22.2 | 846.1 | 10 |
| 800 | 32 | 940 | - | 44.6 | 106 | 814.3 | 840 | 864 | 2 | 48 | 22.2 | 900.1 | 10 |
| 850 | 34 | 1005 | - | 47.7 | 109 | 865.1 | 892 | 921 | 2 | 40 | 25.4 | 957.3 | 10 |
| 900 | 36 | 1055 | - | 50.9 | 116 | 915.9 | 945 | 972 | 2 | 44 | 25.4 | 1009.6 | 10 |
| 950 | 38 | 1125 | - | 52.5 | 122 | 968.2 | 997 | 1022 | 2 | 40 | 28.6 | 1070.0 | 10 |
| 1000 | 40 | 1175 | - | 54.1 | 127 | 1019.0 | 1049 | 1080 | 2 | 44 | 28.6 | 1120.8 | 10 |
| 1050 | 42 | 1225 | - | 57.3 | 132 | 1069.8 | 1102 | 1130 | 2 | 48 | 28.6 | 1171.6 | 11 |
| 1100 | 44 | 1275 | - | 58.9 | 135 | 1120.6 | 1153 | 1181 | 2 | 52 | 28.6 | 1222.4 | 11 |
| 1150 | 46 | 1340 | - | 60.4 | 143 | 1171.4 | 1205 | 1235 | 2 | 40 | 31.8 | 1284.3 | 11 |
| 1200 | 48 | 1390 | - | 63.6 | 148 | 1222.2 | 1257 | 1289 | 2 | 44 | 31.8 | 1335.1 | 11 |
| 1250 | 50 | 1445 | - | 66.8 | 152 | 1273.0 | 1308 | 1340 | 2 | 48 | 31.8 | 1385.9 | 11 |
| 1300 | 52 | 1495 | - | 68.4 | 156 | 1323.8 | 1360 | 1391 | 2 | 52 | 31.8 | 1436.7 | 11 |
| 1350 | 54 | 1550 | - | 70.0 | 160 | 1374.6 | 1413 | 1441 | 2 | 56 | 31.8 | 1492.2 | 11 |
| 1400 | 56 | 1600 | - | 71.6 | 165 | 1425.4 | 1465 | 1492 | 2 | 60 | 31.8 | 1543.0 | 14 |
| 1450 | 58 | 1675 | - | 73.1 | 173 | 1476.2 | 1516 | 1543 | 2 | 48 | 34.9 | 1611.3 | 14 |
| 1500 | 60 | 1725 | - | 74.7 | 178 | 1527.0 | 1570 | 1600 | 2 | 52 | 34.9 | 1662.1 | 14 |
法兰内径B由采购方指定,与钢管保持一致。