ASME B16.47 B 系列 Class300 带颈对焊法兰的尺寸
发布时间:2016-01-16 点击数:3470
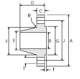
ASME B16.47 B 系列 Class300 带颈对焊法兰的尺寸

| DN | NPS | 法兰 外径 |
法兰 内径 |
法兰厚度(Min.) | 法兰 高度 |
坡口处 外径 |
径部 直径 |
密封面 直径 |
密封面 高度 |
螺栓 孔数 |
螺孔孔 直径 |
螺栓孔中心圆直径 | 圆角 半径 ( Min.) |
| A | B | C | D | E | F | G | f | n | I | J | R | ||
| 650 | 26 | 865 | - | 87.4 | 168 | 665.2 | 702 | 737 | 2 | 32 | 34.9 | 803.3 | 14 |
| 700 | 28 | 920 | - | 87.4 | 148 | 716.0 | 756 | 787 | 2 | 36 | 34.9 | 857.2 | 14 |
| 750 | 30 | 990 | - | 92.1 | 156 | 768.4 | 813 | 845 | 2 | 36 | 38.1 | 920.8 | 14 |
| 800 | 32 | 1055 | - | 101.6 | 167 | 819.2 | 864 | 902 | 2 | 32 | 41.3 | 977.9 | 16 |
| 850 | 34 | 1110 | - | 101.6 | 171 | 870.0 | 918 | 953 | 2 | 36 | 41.3 | 1031.9 | 16 |
| 900 | 36 | 1170 | - | 101.6 | 179 | 920.8 | 965 | 1010 | 2 | 32 | 44.5 | 1089.0 | 16 |
| 950 | 38 | 1220 | - | 109.6 | 165 | 971.6 | 1016 | 1060 | 2 | 36 | 44.5 | 1139.8 | 16 |
| 1000 | 40 | 1275 | - | 114.3 | 197 | 1022.4 | 1067 | 1114 | 2 | 40 | 44.5 | 1190.6 | 16 |
| 1050 | 42 | 1335 | - | 117.5 | 203 | 1074.7 | 1118 | 1168 | 2 | 36 | 47.6 | 1244.6 | 16 |
| 1100 | 44 | 1385 | - | 125.5 | 213 | 1125.5 | 1173 | 1219 | 2 | 40 | 47.6 | 1295.4 | 16 |
| 1150 | 46 | 1460 | - | 127.0 | 221 | 1176.3 | 1229 | 1270 | 2 | 36 | 50.8 | 1365.2 | 16 |
| 1200 | 48 | 1510 | - | 127.0 | 222 | 1227.1 | 1278 | 1327 | 2 | 40 | 50.8 | 1416.0 | 16 |
| 1250 | 50 | 1560 | - | 136.6 | 233 | 1277.9 | 1330 | 1378 | 2 | 44 | 50.8 | 1466.8 | 16 |
| 1300 | 52 | 1615 | - | 141.3 | 241 | 1328.7 | 1383 | 1429 | 2 | 48 | 50.8 | 1517.6 | 16 |
| 1350 | 54 | 1675 | - | 135.0 | 238 | 1379.5 | 1435 | 1480 | 2 | 48 | 50.8 | 1578.0 | 16 |
| 1400 | 56 | 1765 | - | 152.4 | 267 | 1430.3 | 1494 | 1537 | 2 | 36 | 60.3 | 1651.0 | 17 |
| 1450 | 58 | 1825 | - | 152.4 | 273 | 1481.1 | 1548 | 1594 | 2 | 40 | 60.3 | 1712.9 | 17 |
| 1500 | 60 | 1880 | - | 149.3 | 270 | 1557.3 | 1599 | 1651 | 2 | 40 | 60.3 | 1763.7 | 17 |
法兰内径B由采购方指定,与钢管保持一致。