Class150 ASME B16.47 B 系列 法兰盖的尺寸
发布时间:2016-01-17 点击数:3738
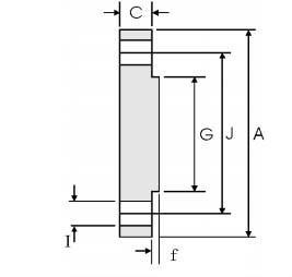
ASME B16.47 B 系列 Class150 法兰盖的尺寸

| DN | NPS | 法兰外径 A |
法兰厚度 (最小值)C |
密封面直径G | 密封面 厚度f |
螺栓孔中心圆直径J | 螺栓孔 直径I |
螺栓 孔数 |
螺栓规格(英寸) |
| 650 | 26 | 785 | 43.0 | 711 | 2 | 744.5 | 22.2 | 36 | 3⁄4 |
| 700 | 28 | 835 | 46.2 | 762 | 2 | 795.3 | 22.2 | 40 | 3⁄4 |
| 750 | 30 | 885 | 49.3 | 813 | 2 | 846.1 | 22.2 | 44 | 3⁄4 |
| 800 | 32 | 940 | 52.5 | 864 | 2 | 900.1 | 22.2 | 48 | 3⁄4 |
| 850 | 34 | 1005 | 55.7 | 921 | 2 | 957.3 | 25.4 | 40 | 7⁄8 |
| 900 | 36 | 1055 | 57.3 | 972 | 2 | 1009.6 | 25.4 | 44 | 7⁄8 |
| 950 | 38 | 1125 | 62.0 | 1022 | 2 | 1070.0 | 28.6 | 40 | 1 |
| 1000 | 40 | 1175 | 65.2 | 1080 | 2 | 1120.8 | 28.6 | 44 | 1 |
| 1050 | 42 | 1225 | 66.8 | 1130 | 2 | 1171.6 | 28.6 | 48 | 1 |
| 1100 | 44 | 1275 | 70.0 | 1181 | 2 | 1222.4 | 28.6 | 52 | 1 |
| 1150 | 46 | 1340 | 73.1 | 1235 | 2 | 1284.3 | 31.8 | 40 | 11⁄8 |
| 1200 | 48 | 1390 | 76.3 | 1289 | 2 | 1335.1 | 31.8 | 44 | 11⁄8 |
| 1250 | 50 | 1445 | 79.5 | 1340 | 2 | 1385.9 | 31.8 | 48 | 11⁄8 |
| 1300 | 52 | 1495 | 82.7 | 1391 | 2 | 1436.7 | 31.8 | 52 | 11⁄8 |
| 1350 | 54 | 1550 | 85.8 | 1441 | 2 | 1492.2 | 31.8 | 56 | 11⁄8 |
| 1400 | 56 | 1600 | 89.0 | 1492 | 2 | 1543.0 | 31.8 | 60 | 11⁄8 |
| 1450 | 58 | 1675 | 91.9 | 1543 | 2 | 1611.3 | 34.9 | 48 | 11⁄4 |
| 1500 | 60 | 1725 | 95.4 | 1600 | 2 | 1662.1 | 34.9 | 52 | 11⁄4 |