Class300 ASME B16.47 B 系列 法兰盖的尺寸
发布时间:2016-01-17 点击数:3579
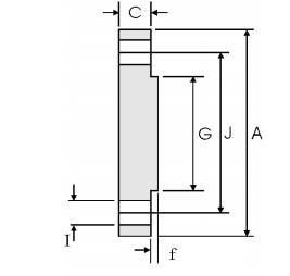
ASME B16.47 B 系列 Class300 法兰盖的尺寸

| DN | NPS | 法兰外径 A |
法兰厚度 (最小值)C |
密封面直径G | 密封面 厚度f |
螺栓孔中心圆直径J | 螺栓孔 直径I |
螺栓 孔数 |
螺栓规格(英寸) |
| 650 | 26 | 865 | 87.4 | 737 | 2 | 803.3 | 34.9 | 32 | 11⁄4 |
| 700 | 28 | 920 | 87.4 | 787 | 2 | 857.2 | 34.9 | 36 | 11⁄4 |
| 750 | 30 | 990 | 92.1 | 845 | 2 | 920.8 | 38.1 | 36 | 13⁄8 |
| 800 | 32 | 1055 | 101.6 | 902 | 2 | 977.9 | 41.3 | 32 | 11⁄2 |
| 850 | 34 | 1110 | 101.6 | 953 | 2 | 1031.9 | 41.3 | 36 | 11⁄2 |
| 900 | 36 | 1170 | 101.6 | 1010 | 2 | 1089.0 | 44.5 | 32 | 15⁄8 |
| 950 | 38 | 1220 | 109.6 | 1060 | 2 | 1139.8 | 44.5 | 36 | 15⁄8 |
| 1000 | 40 | 1275 | 114.3 | 1114 | 2 | 1190.6 | 44.5 | 40 | 15⁄8 |
| 1050 | 42 | 1335 | 117.5 | 1168 | 2 | 1244.6 | 47.6 | 36 | 13⁄4 |
| 1100 | 44 | 1385 | 125.5 | 1219 | 2 | 1295.4 | 47.6 | 40 | 13⁄4 |
| 1150 | 46 | 1460 | 128.6 | 1270 | 2 | 1365.2 | 50.8 | 36 | 17⁄8 |
| 1200 | 48 | 1510 | 133.4 | 1327 | 2 | 1416.0 | 50.8 | 40 | 17⁄8 |
| 1250 | 50 | 1560 | 138.2 | 1378 | 2 | 1466.8 | 50.8 | 44 | 17⁄8 |
| 1300 | 52 | 1615 | 142.6 | 1429 | 2 | 1517.6 | 50.8 | 48 | 17⁄8 |
| 1350 | 54 | 1675 | 147.7 | 1480 | 2 | 1578.0 | 50.8 | 48 | 17⁄8 |
| 1400 | 56 | 1765 | 155.4 | 1537 | 2 | 1651.0 | 60.3 | 36 | 21⁄4 |
| 1450 | 58 | 1825 | 160.4 | 1594 | 2 | 1712.9 | 60.3 | 40 | 21⁄4 |
| 1500 | 60 | 1880 | 165.1 | 1651 | 2 | 1763.7 | 60.3 | 40 | 21⁄4 |