Class1500带颈对焊法兰的尺寸表 - ASME B16.5
发布时间:2015-12-12 点击数:4651
Class1500带颈对焊法兰的尺寸表 - ASME B16.5

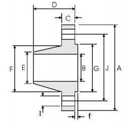
| DN | NPS | 法兰 外径 |
法兰 内径 |
法兰厚度(Min.) | 法兰 高度 |
坡口处 外径 |
径部 直径 |
密封面 直径 |
密封面高度 | 螺栓孔数 | 螺孔孔直径 | 螺栓孔中心圆直径 |
| A | B | C | D | E | F | G | f | n | I | J | ||
| 15 | 1/2 | 120 | - | 22.3 | 60 | 21.3 | 38 | 34.9 | 7 | 4 | 22.3 | 82.6 |
| 20 | 3/4 | 130 | - | 25.4 | 70 | 26.7 | 44 | 42.9 | 7 | 4 | 22.3 | 88.9 |
| 25 | 1 | 150 | - | 28.6 | 73 | 33.4 | 52 | 50.8 | 7 | 4 | 25.4 | 101.6 |
| 32 | 1 ¼ | 160 | - | 28.6 | 73 | 42.2 | 64 | 63.5 | 7 | 4 | 25.4 | 111.1 |
| 40 | 1 ½ | 180 | - | 31.8 | 83 | 48.3 | 70 | 73 | 7 | 4 | 28.4 | 123.8 |
| 50 | 2 | 215 | - | 38.1 | 102 | 60.3 | 105 | 92.1 | 7 | 8 | 25.4 | 165.1 |
| 65 | 2 ½ | 245 | - | 41.3 | 105 | 73.0 | 124 | 104.8 | 7 | 8 | 28.4 | 190.5 |
| 80 | 3 | 265 | - | 47.7 | 117 | 88.9 | 133 | 127 | 7 | 8 | 31.7 | 203.2 |
| 100 | 4 | 310 | - | 54.0 | 124 | 114.3 | 162 | 157.2 | 7 | 8 | 35.0 | 241.3 |
| 125 | 5 | 375 | - | 73.1 | 156 | 141.3 | 197 | 185.7 | 7 | 8 | 41.1 | 292.1 |
| 150 | 6 | 395 | - | 82.6 | 171 | 168.3 | 229 | 215.9 | 7 | 12 | 38.1 | 317.5 |
| 200 | 8 | 485 | - | 92.1 | 213 | 219.1 | 292 | 269.9 | 7 | 12 | 44.4 | 393.7 |
| 250 | 10 | 585 | - | 108.0 | 254 | 273.0 | 368 | 323.8 | 7 | 12 | 50.8 | 482.6 |
| 300 | 12 | 675 | - | 123.9 | 283 | 323.8 | 451 | 381 | 7 | 16 | 53.8 | 571.5 |
| 350 | 14 | 750 | - | 133.4 | 298 | 355.6 | 495 | 412.8 | 7 | 16 | 60.5 | 635.0 |
| 400 | 16 | 825 | - | 146.1 | 311 | 406.4 | 552 | 469.9 | 7 | 16 | 66.6 | 704.8 |
| 450 | 18 | 915 | - | 162.0 | 327 | 457.0 | 597 | 533.4 | 7 | 16 | 73.2 | 774.7 |
| 500 | 20 | 985 | - | 177.8 | 356 | 508.0 | 641 | 584.2 | 7 | 16 | 79.3 | 831.8 |
| 600 | 24 | 1170 | - | 203.2 | 406 | 610.0 | 762 | 692.2 | 7 | 16 | 91.9 | 990.6 |
法兰内径B由采购方指定。