Class2500带颈对焊法兰的尺寸表 - ASME B16.5
发布时间:2015-12-12 点击数:3870
Class2500带颈对焊法兰的尺寸表 - ASME B16.5

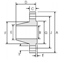
| DN | NPS | 法兰 外径 |
法兰 内径 |
法兰厚度(Min.) | 法兰 高度 |
坡口处 外径 |
径部 直径 |
密封面 直径 |
密封面高度 | 螺栓孔数 | 螺孔孔直径 | 螺栓孔中心圆直径 |
| A | B | C | D | E | F | G | f | n | I | J | ||
| 15 | 1/2 | 135 | - | 30.2 | 73 | 21.3 | 43 | 34.9 | 7 | 4 | 22.3 | 88.9 |
| 20 | 3/4 | 140 | - | 31.8 | 79 | 26.7 | 51 | 42.9 | 7 | 4 | 22.3 | 95.2 |
| 25 | 1 | 160 | - | 35.0 | 89 | 33.4 | 57 | 50.8 | 7 | 4 | 25.4 | 108.0 |
| 32 | 1 ¼ | 185 | - | 38.1 | 95 | 42.2 | 73 | 63.5 | 7 | 4 | 28.4 | 130.2 |
| 40 | 1 ½ | 205 | - | 44.5 | 111 | 48.3 | 79 | 73 | 7 | 4 | 31.8 | 146.0 |
| 50 | 2 | 235 | - | 50.9 | 127 | 60.3 | 95 | 92.1 | 7 | 8 | 28.4 | 171.4 |
| 65 | 2 ½ | 265 | - | 57.2 | 143 | 73.0 | 114 | 104.8 | 7 | 8 | 31.8 | 196.8 |
| 80 | 3 | 305 | - | 66.7 | 168 | 88.9 | 133 | 127 | 7 | 8 | 35.1 | 228.6 |
| 100 | 4 | 355 | - | 76.2 | 190 | 114.3 | 165 | 157.2 | 7 | 8 | 41.1 | 273.0 |
| 125 | 5 | 420 | - | 92.1 | 229 | 141.3 | 203 | 185.7 | 7 | 8 | 47.8 | 323.8 |
| 150 | 6 | 485 | - | 108.0 | 273 | 168.3 | 235 | 215.9 | 7 | 8 | 53.8 | 368.3 |
| 200 | 8 | 550 | - | 127.0 | 318 | 219.1 | 305 | 269.9 | 7 | 12 | 53.8 | 438.2 |
| 250 | 10 | 675 | - | 165.1 | 419 | 273.0 | 375 | 323.8 | 7 | 12 | 66.6 | 539.8 |
| 300 | 12 | 760 | - | 184.2 | 464 | 323.8 | 441 | 381 | 7 | 12 | 73.2 | 619.1 |
法兰内径B由采购方指定。