Class150带颈平焊法兰的尺寸表 - ASME B16.5
发布时间:2015-12-18 点击数:8531
Class150带颈平焊法兰的尺寸表 - ASME B16.5

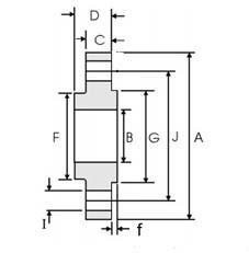
| DN | NPS | 法兰 外径 |
法兰内径(Min.) | 法兰厚度(Min.) | 法兰 高度 |
颈部直径 | 密封面 直径 |
密封面 高度 |
螺栓孔数 | 螺栓孔直径 | 螺栓孔中心圆直径 |
| A | B | C | D | F | G | f | H | I | J | ||
| 15 | 1/2 | 90 | 22.2 | 9.6 | 14 | 30 | 34.9 | 2 | 4 | 15.7 | 60.3 |
| 20 | 3/4 | 100 | 27.7 | 11.2 | 14 | 38 | 42.9 | 2 | 4 | 15.7 | 69.9 |
| 25 | 1 | 110 | 34.5 | 12.7 | 16 | 49 | 50.8 | 2 | 4 | 15.7 | 79.4 |
| 32 | 1 ¼ | 115 | 43.2 | 14.3 | 19 | 59 | 63.5 | 2 | 4 | 15.7 | 88.9 |
| 40 | 1 ½ | 125 | 49.5 | 15.9 | 21 | 65 | 73.0 | 2 | 4 | 15.7 | 98.4 |
| 50 | 2 | 150 | 61.9 | 17.5 | 24 | 78 | 92.1 | 2 | 4 | 19.1 | 120.7 |
| 65 | 2 ½ | 180 | 74.6 | 20.7 | 27 | 90 | 104.8 | 2 | 4 | 19.1 | 139.7 |
| 80 | 3 | 190 | 90.7 | 22.3 | 29 | 108 | 127.0 | 2 | 4 | 19.1 | 152.4 |
| 90 | 3 ½ | 215 | 103.4 | 22.3 | 30 | 122 | 139.7 | 2 | 8 | 19.1 | 177.8 |
| 100 | 4 | 230 | 116.1 | 22.3 | 32 | 135 | 157.2 | 2 | 8 | 19.1 | 190.5 |
| 125 | 5 | 255 | 143.8 | 22.3 | 35 | 164 | 185.7 | 2 | 8 | 22.4 | 215.9 |
| 150 | 6 | 280 | 170.7 | 23.9 | 38 | 192 | 215.9 | 2 | 8 | 22.4 | 241.3 |
| 200 | 8 | 345 | 221.5 | 27.0 | 43 | 246 | 269.9 | 2 | 8 | 22.4 | 298.5 |
| 250 | 10 | 405 | 276.2 | 28.6 | 48 | 305 | 323.8 | 2 | 12 | 25.4 | 362.0 |
| 300 | 12 | 485 | 327.0 | 30.2 | 54 | 365 | 381.0 | 2 | 12 | 25.4 | 431.8 |
| 350 | 14 | 535 | 359.2 | 33.4 | 56 | 400 | 412.8 | 2 | 12 | 28.4 | 476.3 |
| 400 | 16 | 595 | 410.5 | 35.0 | 62 | 457 | 469.9 | 2 | 16 | 28.4 | 539.8 |
| 450 | 18 | 635 | 461.8 | 38.1 | 67 | 505 | 533.4 | 2 | 16 | 31.8 | 577.9 |
| 500 | 20 | 700 | 513.1 | 41.3 | 71 | 559 | 584.2 | 2 | 20 | 31.8 | 635.0 |
| 600 | 24 | 815 | 616.0 | 46.1 | 81 | 663 | 692.2 | 2 | 20 | 35.1 | 749.3 |
相关链接:
带颈平焊法兰的尺寸表 - Class300 ASME B16.5
带颈平焊法兰的尺寸表 - Class600 ASME B16.5