美标Class300带颈平焊法兰的尺寸表 - ASME B16.5
发布时间:2015-12-19 点击数:6460
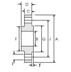
Class300带颈平焊法兰的尺寸表 - ASME B16.5

| DN | NPS | 法兰 外径 |
法兰内径(Min.) | 法兰厚度(Min.) | 法兰 高度 |
颈部直径 | 密封面 直径 |
密封面 高度 |
螺栓孔数 | 螺栓孔直径 | 螺栓孔中心圆直径 |
| A | B | C | D | F | G | f | H | I | J | ||
| 15 | 1/2 | 95 | 22.2 | 12.7 | 21 | 38 | 34.9 | 2 | 4 | 15.7 | 66.7 |
| 20 | 3/4 | 115 | 27.7 | 14.3 | 24 | 48 | 42.9 | 2 | 4 | 19.0 | 82.6 |
| 25 | 1 | 125 | 34.5 | 15.9 | 25 | 54 | 50.8 | 2 | 4 | 19.0 | 88.9 |
| 32 | 1 ¼ | 135 | 43.2 | 17.5 | 25 | 64 | 63.5 | 2 | 4 | 19.0 | 98.4 |
| 40 | 1 ½ | 155 | 49.5 | 19.1 | 29 | 70 | 73.0 | 2 | 4 | 22.3 | 114.3 |
| 50 | 2 | 165 | 61.9 | 20.7 | 32 | 84 | 92.1 | 2 | 8 | 19.0 | 127.0 |
| 65 | 2 ½ | 190 | 74.6 | 23.9 | 37 | 100 | 104.8 | 2 | 8 | 22.3 | 149.2 |
| 80 | 3 | 210 | 90.7 | 27.0 | 41 | 117 | 127.0 | 2 | 8 | 22.3 | 168.3 |
| 90 | 3 ½ | 230 | 103.4 | 28.6 | 43 | 133 | 139.7 | 2 | 8 | 22.3 | 184.2 |
| 100 | 4 | 255 | 116.1 | 30.2 | 46 | 146 | 157.2 | 2 | 8 | 22.3 | 200.0 |
| 125 | 5 | 280 | 143.8 | 33.4 | 49 | 178 | 185.7 | 2 | 8 | 22.3 | 235.0 |
| 150 | 6 | 320 | 170.7 | 35.0 | 51 | 206 | 215.9 | 2 | 12 | 22.3 | 269.9 |
| 200 | 8 | 380 | 221.5 | 39.7 | 60 | 260 | 269.9 | 2 | 12 | 25.4 | 330.2 |
| 250 | 10 | 445 | 276.2 | 46.1 | 65 | 321 | 323.8 | 2 | 16 | 28.4 | 387.4 |
| 300 | 12 | 520 | 327.0 | 49.3 | 71 | 375 | 381.0 | 2 | 16 | 31.7 | 450.8 |
| 350 | 14 | 585 | 359.2 | 52.4 | 75 | 425 | 412.8 | 2 | 20 | 31.7 | 514.4 |
| 400 | 16 | 650 | 410.5 | 55.6 | 81 | 483 | 469.9 | 2 | 20 | 35.0 | 571.5 |
| 450 | 18 | 710 | 461.8 | 58.8 | 87 | 533 | 533.4 | 2 | 24 | 35.0 | 628.6 |
| 500 | 20 | 775 | 513.1 | 62.0 | 94 | 587 | 584.2 | 2 | 24 | 35.0 | 685.8 |
| 600 | 24 | 915 | 616.0 | 68.3 | 105 | 702 | 692.2 | 2 | 24 | 41.1 | 812.8 |
相关链接:
带颈平焊法兰的尺寸表 - Class150 ASME B16.5
带颈平焊法兰的尺寸表 - Class600 ASME B16.5