Class600带颈平焊法兰的尺寸表 - ASME B16.5
发布时间:2015-12-19 点击数:7624
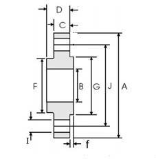
Class600带颈平焊法兰的尺寸表 - ASME B16.5

| DN | NPS | 法兰 外径 |
法兰内径(Min.) | 法兰厚度(Min.) | 法兰 高度 |
颈部直径 | 密封面 直径 |
密封面 高度 |
螺栓孔数 | 螺栓孔直径 | 螺栓孔中心圆直径 |
| A | B | C | D | F | G | f | H | I | J | ||
| 15 | 1/2 | 95 | 22.2 | 14.3 | 22 | 38 | 34.9 | 7 | 4 | 15.7 | 66.7 |
| 20 | 3/4 | 115 | 27.7 | 15.9 | 25 | 48 | 42.9 | 7 | 4 | 19.0 | 82.6 |
| 25 | 1 | 125 | 34.5 | 17.5 | 27 | 54 | 50.8 | 7 | 4 | 19.0 | 88.9 |
| 32 | 1 ¼ | 135 | 43.2 | 20.7 | 29 | 64 | 63.5 | 7 | 4 | 19.0 | 98.4 |
| 40 | 1 ½ | 155 | 49.5 | 22.3 | 32 | 70 | 73.0 | 7 | 4 | 22.3 | 114.3 |
| 50 | 2 | 165 | 61.9 | 25.4 | 37 | 84 | 92.1 | 7 | 8 | 19.0 | 127.0 |
| 65 | 2 ½ | 190 | 74.6 | 28.6 | 41 | 100 | 104.8 | 7 | 8 | 22.3 | 149.2 |
| 80 | 3 | 210 | 90.7 | 31.8 | 46 | 117 | 127.0 | 7 | 8 | 22.3 | 168.3 |
| 90 | 3 ½ | 230 | 103.4 | 35.0 | 49 | 133 | 139.7 | 7 | 8 | 25.4 | 184.2 |
| 100 | 4 | 275 | 116.1 | 38.1 | 54 | 152 | 157.2 | 7 | 8 | 25.4 | 215.9 |
| 125 | 5 | 330 | 143.8 | 44.5 | 60 | 189 | 185.7 | 7 | 8 | 28.4 | 266.7 |
| 150 | 6 | 355 | 170.7 | 47.7 | 67 | 222 | 215.9 | 7 | 12 | 28.4 | 292.1 |
| 200 | 8 | 420 | 221.5 | 55.6 | 76 | 273 | 269.9 | 7 | 12 | 31.8 | 349.2 |
| 250 | 10 | 510 | 276.2 | 63.5 | 86 | 343 | 323.8 | 7 | 16 | 35.1 | 431.8 |
| 300 | 12 | 560 | 327.0 | 66.7 | 92 | 400 | 381.0 | 7 | 20 | 35.1 | 489.0 |
| 350 | 14 | 605 | 359.2 | 69.9 | 94 | 432 | 412.8 | 7 | 20 | 38.1 | 527.0 |
| 400 | 16 | 685 | 410.5 | 76.2 | 106 | 495 | 469.9 | 7 | 20 | 41.1 | 603.2 |
| 450 | 18 | 745 | 461.8 | 82.6 | 117 | 546 | 533.4 | 7 | 20 | 44.5 | 654.0 |
| 500 | 20 | 815 | 513.1 | 88.9 | 127 | 610 | 584.2 | 7 | 24 | 44.5 | 723.9 |
| 600 | 24 | 940 | 616.0 | 101.6 | 140 | 718 | 692.2 | 7 | 24 | 50.8 | 838.2 |
相关链接:
带颈平焊法兰的尺寸表 - Class150 ASME B16.5
带颈平焊法兰的尺寸表 - Class300 ASME B16.5