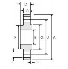
Class1500带颈平焊法兰的尺寸表 - ASME B16.5
发布时间:2015-12-19 点击数:3598
Class1500带颈平焊法兰的尺寸表 - ASME B16.5
| DN | NPS | 法兰 外径 |
法兰内径(Min.) | 法兰厚度(Min.) | 法兰 高度 |
颈部直径 | 密封面 直径 |
密封面 高度 |
螺栓孔数 | 螺栓孔直径 | 螺栓孔中心圆直径 |
| A | B | C | D | F | G | f | H | I | J | ||
| 15 | 1/2 | 120 | 22.2 | 22.3 | 32 | 38 | 34.9 | 7 | 4 | 22.3 | 82.6 |
| 20 | 3/4 | 130 | 27.7 | 25.4 | 35 | 44 | 42.9 | 7 | 4 | 22.3 | 88.9 |
| 25 | 1 | 150 | 34.5 | 28.6 | 41 | 52 | 50.8 | 7 | 4 | 25.4 | 101.6 |
| 32 | 1 ¼ | 160 | 43.2 | 28.6 | 41 | 64 | 63.5 | 7 | 4 | 25.4 | 111.1 |
| 40 | 1 ½ | 180 | 49.5 | 31.8 | 44 | 70 | 73.0 | 7 | 4 | 28.4 | 123.8 |
| 50 | 2 | 215 | 61.9 | 38.1 | 57 | 105 | 92.1 | 7 | 8 | 25.4 | 165.1 |
| 65 | 2 ½ | 245 | 74.6 | 41.3 | 64 | 124 | 104.8 | 7 | 8 | 28.4 | 190.5 |
相关链接:
带颈平焊法兰的尺寸表 - Class150 ASME B16.5
带颈平焊法兰的尺寸表 - Class300 ASME B16.5
