Class900带颈平焊法兰的尺寸表 - ASME B16.5
发布时间:2015-12-19 点击数:4036
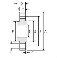
Class900带颈平焊法兰的尺寸表 - ASME B16.5

| DN | NPS | 法兰 外径 |
法兰内径(Min.) | 法兰厚度(Min.) | 法兰 高度 |
颈部直径 | 密封面 直径 |
密封面 高度 |
螺栓孔数 | 螺栓孔直径 | 螺栓孔中心圆直径 |
| A | B | C | D | F | G | f | H | I | J | ||
| 15 | 1/2 | 120 | 22.2 | 22.3 | 32 | 38 | 34.9 | 7 | 4 | 22.3 | 82.6 |
| 20 | 3/4 | 130 | 27.7 | 25.4 | 35 | 44 | 42.9 | 7 | 4 | 22.3 | 88.9 |
| 25 | 1 | 150 | 34.5 | 28.6 | 41 | 52 | 50.8 | 7 | 4 | 25.4 | 101.6 |
| 32 | 1 ¼ | 160 | 43.2 | 28.6 | 41 | 64 | 63.5 | 7 | 4 | 25.4 | 111.1 |
| 40 | 1 ½ | 180 | 49.5 | 31.8 | 44 | 70 | 73.0 | 7 | 4 | 28.4 | 123.8 |
| 50 | 2 | 215 | 61.9 | 38.1 | 57 | 105 | 92.1 | 7 | 8 | 25.4 | 165.1 |
| 65 | 2 ½ | 245 | 74.6 | 41.3 | 64 | 124 | 104.8 | 7 | 8 | 28.4 | 190.5 |
| 80 | 3 | 240 | 103.4 | 38.1 | 54 | 127 | 127.0 | 7 | 8 | 25.4 | 190.5 |
| 100 | 4 | 290 | 116.1 | 44.5 | 70 | 159 | 157.2 | 7 | 8 | 31.7 | 235.0 |
| 125 | 5 | 350 | 143.8 | 50.8 | 79 | 190 | 185.7 | 7 | 8 | 35.0 | 279.4 |
| 150 | 6 | 380 | 170.7 | 55.6 | 86 | 235 | 215.9 | 7 | 12 | 31.7 | 317.5 |
| 200 | 8 | 470 | 221.5 | 63.5 | 102 | 298 | 269.9 | 7 | 12 | 38.1 | 393.7 |
| 250 | 10 | 545 | 276.2 | 69.9 | 108 | 368 | 323.8 | 7 | 16 | 38.1 | 469.9 |
| 300 | 12 | 610 | 327.0 | 79.4 | 117 | 419 | 381.0 | 7 | 20 | 38.1 | 533.4 |
| 350 | 14 | 640 | 359.2 | 85.8 | 130 | 451 | 412.8 | 7 | 20 | 41.1 | 558.8 |
| 400 | 16 | 705 | 410.5 | 88.9 | 133 | 508 | 469.9 | 7 | 20 | 44.4 | 616.0 |
| 450 | 18 | 785 | 461.8 | 101.6 | 152 | 565 | 533.4 | 7 | 20 | 50.8 | 685.8 |
| 500 | 20 | 855 | 513.1 | 108.0 | 159 | 622 | 584.2 | 7 | 20 | 53.8 | 749.3 |
| 600 | 24 | 1040 | 616.0 | 139.7 | 203 | 749 | 692.2 | 7 | 20 | 66.6 | 901.7 |
相关链接:
带颈平焊法兰的尺寸表 - Class150 ASME B16.5
带颈平焊法兰的尺寸表 - Class300 ASME B16.5