Class600(PN110)带颈对焊法兰的尺寸~HG/T 20615-2009
发布时间:2022-11-01 点击数:1132
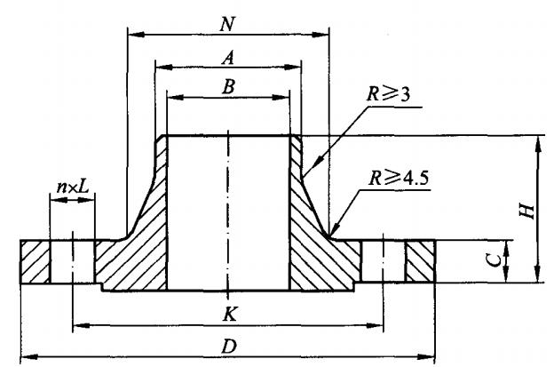
Class600(PN110)带颈对焊法兰的尺寸~HG/T 20615-2009

| DN | NPS | 钢管外径, A | 法兰外径,D | 螺栓孔中心圆直径,K | 螺栓孔直径,L | 螺栓规格 | 螺栓孔数 | 密封面直径 | 密封面高度 | 法兰内径,B | 法兰颈部直径,N | 法兰厚度,C | 法兰高度,H |
| 15 | 1/2 | 21.3 | 95 | 66.7 | 16 | M14 | 4 | 34.9 | 7 | - | 38 | 14.3 | 52 |
| 20 | 3/4 | 26.7 | 115 | 82.6 | 18 | M16 | 4 | 42.9 | 7 | - | 48 | 15.9 | 57 |
| 25 | 1 | 33.4 | 125 | 88.9 | 18 | M16 | 4 | 50.8 | 7 | - | 54 | 17.5 | 62 |
| 32 | 1 ¼ | 42.2 | 135 | 98.4 | 18 | M16 | 4 | 63.5 | 7 | - | 64 | 20.7 | 67 |
| 40 | 1 ½ | 48.3 | 155 | 114.3 | 22 | M20 | 4 | 73.0 | 7 | - | 70 | 22.3 | 70 |
| 50 | 2 | 60.3 | 165 | 127.0 | 18 | M16 | 8 | 92.1 | 7 | - | 84 | 25.4 | 73 |
| 65 | 2 ½ | 76.1 | 190 | 149.2 | 22 | M20 | 8 | 104.8 | 7 | - | 100 | 28.6 | 79 |
| 80 | 3 | 88.9 | 210 | 168.3 | 22 | M20 | 8 | 127.0 | 7 | - | 117 | 31.8 | 83 |
| 100 | 4 | 114.3 | 275 | 215.9 | 26 | M24 | 8 | 157.2 | 7 | - | 152 | 38.1 | 102 |
| 125 | 5 | 141.3 | 330 | 266.7 | 30 | M27 | 8 | 185.7 | 7 | - | 189 | 44.5 | 114 |
| 150 | 6 | 168.3 | 355 | 292.1 | 30 | M27 | 12 | 215.9 | 7 | - | 222 | 47.7 | 117 |
| 200 | 8 | 219.1 | 420 | 349.2 | 33 | M30 | 12 | 269.9 | 7 | - | 273 | 55.6 | 133 |
| 250 | 10 | 273.0 | 510 | 431.8 | 36 | M33 | 16 | 323.8 | 7 | - | 343 | 63.5 | 152 |
| 300 | 12 | 323.8 | 560 | 489.0 | 36 | M33 | 20 | 381.0 | 7 | - | 400 | 66.7 | 156 |
| 350 | 14 | 355.6 | 605 | 527.0 | 39 | M36 | 20 | 412.8 | 7 | - | 432 | 69.9 | 165 |
| 400 | 16 | 406.4 | 685 | 603.2 | 42 | M39 | 20 | 469.9 | 7 | - | 495 | 76.2 | 178 |
| 450 | 18 | 457.0 | 745 | 654.0 | 45 | M42 | 20 | 533.4 | 7 | - | 546 | 82.6 | 184 |
| 500 | 20 | 508.0 | 815 | 723.9 | 45 | M42 | 24 | 584.2 | 7 | - | 610 | 88.9 | 190 |
| 600 | 24 | 610.0 | 940 | 838.2 | 51 | M48 | 24 | 692.2 | 7 | - | 718 | 101.6 | 203 |
法兰内径B由钢管壁厚确定。