Class900(PN150)带颈对焊法兰的尺寸~HG/T 20615-2009
发布时间:2022-11-01 点击数:815
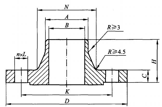
Class900(PN150)带颈对焊法兰的尺寸~HG/T 20615-2009

| DN | NPS | 钢管外径, A | 法兰外径,D | 螺栓孔中心圆直径,K | 螺栓孔直径,L | 螺栓规格 | 螺栓孔数 | 密封面直径 | 密封面高度 | 法兰内径,B | 法兰颈部直径,N | 法兰厚度,C | 法兰高度,H |
| 15 | 1/2 | 21.3 | 120 | 82.6 | 22 | M20 | 4 | 34.9 | 7 | - | 38 | 22.3 | 60 |
| 20 | 3/4 | 26.7 | 130 | 88.9 | 22 | M20 | 4 | 42.9 | 7 | - | 44 | 25.4 | 70 |
| 25 | 1 | 33.4 | 150 | 101.6 | 26 | M24 | 4 | 50.8 | 7 | - | 52 | 28.6 | 73 |
| 32 | 1 ¼ | 42.2 | 160 | 111.1 | 26 | M24 | 4 | 63.5 | 7 | - | 64 | 28.6 | 73 |
| 40 | 1 ½ | 48.3 | 180 | 123.8 | 30 | M27 | 4 | 73.0 | 7 | - | 70 | 31.8 | 83 |
| 50 | 2 | 60.3 | 215 | 165.1 | 26 | M24 | 8 | 92.1 | 7 | - | 105 | 38.1 | 102 |
| 65 | 2 ½ | 76.1 | 245 | 190.5 | 30 | M27 | 8 | 104.8 | 7 | - | 124 | 41.3 | 105 |
| 80 | 3 | 88.9 | 240 | 190.5 | 26 | M24 | 8 | 127.0 | 7 | - | 127 | 38.1 | 102 |
| 100 | 4 | 114.3 | 290 | 235.0 | 33 | M30 | 8 | 157.2 | 7 | - | 159 | 44.5 | 114 |
| 125 | 5 | 141.3 | 350 | 279.4 | 36 | M33 | 8 | 185.7 | 7 | - | 190 | 50.8 | 127 |
| 150 | 6 | 168.3 | 380 | 317.5 | 33 | M30 | 12 | 215.9 | 7 | - | 235 | 55.6 | 140 |
| 200 | 8 | 219.1 | 470 | 393.7 | 39 | M36 | 12 | 269.9 | 7 | - | 298 | 63.5 | 162 |
| 250 | 10 | 273.0 | 545 | 469.9 | 39 | M36 | 16 | 323.8 | 7 | - | 368 | 69.9 | 184 |
| 300 | 12 | 323.8 | 610 | 533.4 | 39 | M36 | 20 | 381.0 | 7 | - | 419 | 79.4 | 200 |
| 350 | 14 | 355.6 | 640 | 558.8 | 42 | M39 | 20 | 412.8 | 7 | - | 451 | 85.8 | 213 |
| 400 | 16 | 406.4 | 705 | 616.0 | 45 | M42 | 20 | 469.9 | 7 | - | 508 | 88.9 | 216 |
| 450 | 18 | 457.0 | 785 | 685.8 | 51 | M48 | 20 | 533.4 | 7 | - | 565 | 101.6 | 229 |
| 500 | 20 | 508.0 | 855 | 749.3 | 55 | M52 | 20 | 584.2 | 7 | - | 622 | 108.0 | 248 |
| 600 | 24 | 610.0 | 1040 | 901.7 | 68 | M64 | 20 | 692.2 | 7 | - | 749 | 139.7 | 292 |
法兰内径B由钢管壁厚确定。