PN100带颈对焊法兰的尺寸~HG/T 20592-2009
发布时间:2022-11-03 点击数:948
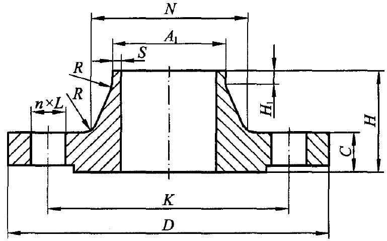
PN100带颈对焊法兰的尺寸~HG/T 20592-2009

| DN | 钢管外径, A | 法兰外径, D | 螺栓孔中心圆直径, K | 螺栓孔直径, L | 螺栓孔数 | 螺栓规格 | 密封面直径, d | 密封面高度, f1 | 法兰厚度, C | 颈部直径, N | 接管壁厚, S | 直段长度,H1 | 圆角半径, R | 法兰高度, H | ||
| A系列 | B系列 | A系列 | B系列 | |||||||||||||
| 10 | 17.2 | 14 | 100 | 70 | 14 | 4 | M12 | 40 | 2 | 20 | 32 | 32 | 1.8 | 6 | 4 | 45 |
| 15 | 21.3 | 18 | 105 | 75 | 14 | 4 | M12 | 45 | 2 | 20 | 34 | 34 | 3.2 | 6 | 4 | 45 |
| 20 | 26.9 | 25 | 130 | 90 | 18 | 4 | M16 | 58 | 2 | 22 | 42 | 42 | 3.2 | 8 | 4 | 48 |
| 25 | 33.7 | 32 | 140 | 100 | 18 | 4 | M16 | 68 | 2 | 24 | 52 | 52 | 3.6 | 8 | 4 | 58 |
| 32 | 42.4 | 38 | 155 | 110 | 22 | 4 | M20 | 78 | 2 | 24 | 62 | 62 | 3.6 | 8 | 6 | 60 |
| 40 | 48.3 | 45 | 170 | 125 | 22 | 4 | M20 | 88 | 2 | 26 | 70 | 70 | 3.6 | 10 | 6 | 62 |
| 50 | 60.3 | 57 | 195 | 145 | 26 | 4 | M24 | 102 | 2 | 28 | 90 | 90 | 4.0 | 10 | 6 | 68 |
| 65 | 76.1 | 79 | 220 | 170 | 26 | 8 | M24 | 122 | 2 | 30 | 108 | 108 | 4.0 | 12 | 6 | 76 |
| 80 | 88.9 | 89 | 230 | 180 | 26 | 8 | M24 | 138 | 2 | 32 | 120 | 120 | 5.0 | 12 | 8 | 78 |
| 100 | 114.3 | 108 | 265 | 210 | 30 | 8 | M27 | 162 | 2 | 36 | 150 | 150 | 5.6 | 12 | 8 | 90 |
| 125 | 139.7 | 133 | 315 | 250 | 33 | 8 | M30 | 188 | 2 | 40 | 180 | 180 | 6.3 | 12 | 8 | 105 |
| 150 | 168.3 | 159 | 355 | 290 | 33 | 12 | M30 | 218 | 2 | 44 | 210 | 210 | 8.0 | 12 | 10 | 115 |
| 200 | 219.1 | 219 | 430 | 360 | 36 | 12 | M33 | 285 | 2 | 52 | 278 | 278 | 8.8 | 16 | 10 | 130 |
| 250 | 273 | 273 | 505 | 430 | 39 | 12 | M36 | 345 | 2 | 60 | 340 | 340 | 10.0 | 18 | 12 | 157 |
| 300 | 323.9 | 325 | 585 | 500 | 42 | 16 | M39 | 410 | 2 | 68 | 400 | 400 | 12.5 | 18 | 12 | 170 |
| 350 | 355.6 | 377 | 655 | 560 | 48 | 16 | M45 | 465 | 2 | 74 | 460 | 482 | 14.2 | 20 | 12 | 189 |