Class300(PN50)带颈平焊法兰的尺寸 - HG/T 20615-2009
发布时间:2022-11-06 点击数:777
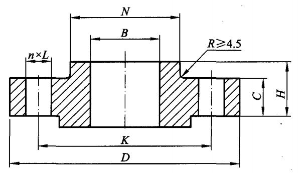
Class300(PN50)带颈对焊法兰的尺寸 - HG/T 20615-2009

| DN | NPS | 钢管外径, A | 法兰外径,D | 螺栓孔中心圆直径,K | 螺栓孔直径,L | 螺栓规格 | 螺栓孔数 | 密封面直径 | 密封面高度 | 法兰内径,B | 法兰颈部直径,N | 法兰厚度,C | 法兰高度,H |
| 15 | 1/2 | 21.3 | 95 | 66.7 | 16 | M14 | 4 | 34.9 | 2 | 22.5 | 38 | 12.7 | 21 |
| 20 | 3/4 | 26.7 | 115 | 82.6 | 18 | M16 | 4 | 42.9 | 2 | 27.5 | 48 | 14.3 | 24 |
| 25 | 1 | 33.4 | 125 | 88.9 | 18 | M16 | 4 | 50.8 | 2 | 34.5 | 54 | 15.9 | 25 |
| 32 | 1 ¼ | 42.2 | 135 | 98.4 | 18 | M16 | 4 | 63.5 | 2 | 43.5 | 64 | 17.5 | 25 |
| 40 | 1 ½ | 48.3 | 155 | 114.3 | 22 | M20 | 4 | 73.0 | 2 | 49.5 | 70 | 19.1 | 29 |
| 50 | 2 | 60.3 | 165 | 127 | 18 | M16 | 8 | 92.1 | 2 | 61.5 | 84 | 20.7 | 32 |
| 65 | 2 ½ | 76.1 | 190 | 149.2 | 22 | M20 | 8 | 104.8 | 2 | 77.6 | 100 | 23.9 | 37 |
| 80 | 3 | 88.9 | 210 | 168.3 | 22 | M20 | 8 | 127.0 | 2 | 90.5 | 117 | 27.0 | 41 |
| 100 | 4 | 114.3 | 255 | 200 | 22 | M20 | 8 | 157.2 | 2 | 116.0 | 146 | 30.2 | 46 |
| 125 | 5 | 141.3 | 280 | 235 | 22 | M20 | 8 | 185.7 | 2 | 143.5 | 178 | 33.4 | 49 |
| 150 | 6 | 168.3 | 320 | 269.9 | 22 | M20 | 12 | 215.9 | 2 | 170.5 | 206 | 35.0 | 51 |
| 200 | 8 | 219.1 | 380 | 330.2 | 26 | M24 | 12 | 269.9 | 2 | 221.5 | 260 | 39.7 | 60 |
| 250 | 10 | 273.0 | 445 | 387.4 | 30 | M27 | 16 | 323.8 | 2 | 276.5 | 321 | 46.1 | 65 |
| 300 | 12 | 323.8 | 520 | 450.8 | 33 | M30 | 16 | 381.0 | 2 | 328.0 | 375 | 49.3 | 71 |
| 350 | 14 | 355.6 | 585 | 514.4 | 33 | M30 | 20 | 412.8 | 2 | 360.0 | 425 | 52.4 | 75 |
| 400 | 16 | 406.4 | 650 | 571.5 | 36 | M33 | 20 | 469.9 | 2 | 411.0 | 483 | 55.6 | 81 |
| 450 | 18 | 457 | 710 | 628.6 | 36 | M33 | 24 | 533.4 | 2 | 462.0 | 533 | 58.8 | 87 |
| 500 | 20 | 508 | 775 | 685.8 | 36 | M33 | 24 | 584.2 | 2 | 513.5 | 587 | 62.0 | 94 |
| 600 | 24 | 610 | 915 | 812.8 | 42 | M39 | 24 | 692.2 | 2 | 616.5 | 702 | 68.3 | 105 |