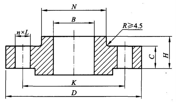
Class150(PN20)带颈平焊法兰的尺寸 - HG/T 20615-2009
发布时间:2022-11-06 点击数:1145
Class150(PN20)带颈平焊法兰的尺寸 - HG/T 20615-2009

| DN | NPS | 钢管外径, A | 法兰外径,D | 螺栓孔中心圆直径,K | 螺栓孔直径,L | 螺栓规格 | 螺栓孔数 | 密封面直径 | 密封面高度 | 法兰内径,B | 法兰颈部直径,N | 法兰厚度,C | 法兰高度,H |
| 15 | 1/2 | 21.3 | 90 | 60.3 | 16 | M14 | 4 | 34.9 | 2 | 22.5 | 30 | 9.6 | 14 |
| 20 | 3/4 | 26.7 | 100 | 69.9 | 16 | M14 | 4 | 42.9 | 2 | 27.5 | 38 | 11.2 | 14 |
| 25 | 1 | 33.4 | 110 | 79.4 | 16 | M14 | 4 | 50.8 | 2 | 34.5 | 49 | 12.7 | 16 |
| 32 | 1 ¼ | 42.2 | 115 | 88.9 | 16 | M14 | 4 | 63.5 | 2 | 43.5 | 59 | 14.3 | 19 |
| 40 | 1 ½ | 48.3 | 125 | 98.4 | 16 | M14 | 4 | 73.0 | 2 | 49.5 | 65 | 15.9 | 21 |
| 50 | 2 | 60.3 | 150 | 120.7 | 18 | M16 | 4 | 92.1 | 2 | 61.5 | 78 | 17.5 | 24 |
| 65 | 2 ½ | 76.1 | 180 | 139.7 | 18 | M16 | 4 | 104.8 | 2 | 77.6 | 90 | 20.7 | 27 |
| 80 | 3 | 88.9 | 190 | 152.4 | 18 | M16 | 4 | 127.0 | 2 | 90.5 | 108 | 22.3 | 29 |
| 100 | 4 | 114.3 | 230 | 190.5 | 18 | M16 | 8 | 157.2 | 2 | 116.0 | 135 | 22.3 | 32 |
| 125 | 5 | 141.3 | 255 | 215.9 | 22 | M20 | 8 | 185.7 | 2 | 143.5 | 164 | 22.3 | 35 |
| 150 | 6 | 168.3 | 280 | 241.3 | 22 | M20 | 8 | 215.9 | 2 | 170.5 | 192 | 23.9 | 38 |
| 200 | 8 | 219.1 | 345 | 298.5 | 22 | M20 | 8 | 269.9 | 2 | 221.5 | 246 | 27.0 | 43 |
| 250 | 10 | 273.0 | 405 | 362.0 | 26 | M24 | 12 | 323.8 | 2 | 276.5 | 305 | 28.6 | 48 |
| 300 | 12 | 323.8 | 485 | 431.8 | 26 | M24 | 12 | 381.0 | 2 | 328.0 | 365 | 30.2 | 54 |
| 350 | 14 | 355.6 | 535 | 476.3 | 30 | M27 | 12 | 412.8 | 2 | 360.0 | 400 | 33.4 | 56 |
| 400 | 16 | 406.4 | 595 | 539.8 | 30 | M27 | 16 | 469.9 | 2 | 411.0 | 457 | 35.0 | 62 |
| 450 | 18 | 457 | 635 | 577.9 | 33 | M30 | 16 | 533.4 | 2 | 462.0 | 505 | 38.1 | 67 |
| 500 | 20 | 508 | 700 | 635.0 | 33 | M30 | 20 | 584.2 | 2 | 513.5 | 559 | 41.3 | 71 |
| 600 | 24 | 610 | 815 | 749.3 | 36 | M33 | 20 | 692.2 | 2 | 616.5 | 663 | 46.1 | 81 |