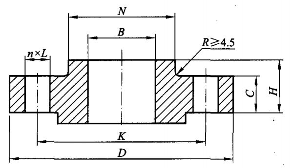
Class1500(PN260)带颈平焊法兰的尺寸 - HG/T 20615-2009
发布时间:2022-11-06 点击数:594
Class1500(PN260)带颈平焊法兰的尺寸 - HG/T 20615-2009

| DN | NPS | 钢管外径, A | 法兰外径,D | 螺栓孔中心圆直径,K | 螺栓孔直径,L | 螺栓规格 | 螺栓孔数 | 密封面直径 | 密封面高度 | 法兰内径,B | 法兰颈部直径,N | 法兰厚度,C | 法兰高度,H |
| 15 | 1/2 | 21.3 | 120 | 82.6 | 22 | M20 | 4 | 34.9 | 7 | 22.5 | 38 | 22.3 | 32 |
| 20 | 3/4 | 26.7 | 130 | 88.9 | 22 | M20 | 4 | 42.9 | 7 | 27.5 | 44 | 25.4 | 35 |
| 25 | 1 | 33.4 | 150 | 101.6 | 26 | M24 | 4 | 50.8 | 7 | 34.5 | 52 | 28.6 | 41 |
| 32 | 1 ¼ | 42.2 | 160 | 111.1 | 26 | M24 | 4 | 63.5 | 7 | 43.5 | 64 | 28.6 | 41 |
| 40 | 1 ½ | 48.3 | 180 | 123.8 | 30 | M27 | 4 | 73.0 | 7 | 49.5 | 70 | 31.8 | 44 |
| 50 | 2 | 60.3 | 215 | 165.1 | 26 | M24 | 8 | 92.1 | 7 | 61.5 | 105 | 38.1 | 57 |
| 65 | 2 1/2 | 76.1 | 245 | 190.5 | 30 | M27 | 8 | 104.8 | 7 | 77.6 | 124 | 41.3 | 64 |