Class300(PN50)松套法兰的尺寸~HG/T 20615-2009
发布时间:2022-11-26 点击数:1234
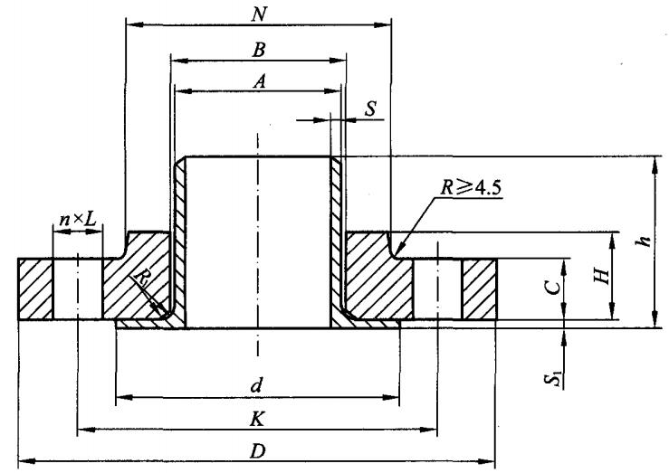
Class300(PN50)松套法兰的尺寸~HG/T 20615-2009

| 公称尺寸 | 钢管外径,A | 连接尺寸 | 法兰内径,B | 颈部直径,N | 法兰厚度,C | 法兰高度,H | 圆角,R1 | 对焊环 | ||||||
| DN | NPS | 法兰外径,D | 螺栓孔中心圆直径,K | 螺栓孔直径,L | 螺栓规格 | 螺栓孔数 | 高度,h | 外径,d | ||||||
| 15 | 1/2 | 21.3 | 95 | 66.7 | 16 | M14 | 4 | 22.9 | 38 | 14.3 | 22 | 3 | 51 | 34.9 |
| 20 | 3/4 | 26.9 | 115 | 82.6 | 18 | M16 | 4 | 28.2 | 48 | 15.9 | 25 | 3 | 51 | 42.9 |
| 25 | 1 | 33.7 | 125 | 88.9 | 18 | M16 | 4 | 34.9 | 54 | 17.5 | 27 | 3 | 51 | 50.8 |
| 32 | 1 ¼ | 42.4 | 135 | 98.4 | 18 | M16 | 4 | 43.7 | 64 | 19.1 | 27 | 5 | 51 | 63.5 |
| 40 | 1 ½ | 48.3 | 155 | 114.3 | 22 | M20 | 4 | 50 | 70 | 20.7 | 30 | 6 | 51 | 73.0 |
| 50 | 2 | 60.3 | 165 | 127.0 | 18 | M16 | 8 | 62.5 | 84 | 22.3 | 33 | 8 | 64 | 92.1 |
| 65 | 2 ½ | 76.1 | 190 | 149.2 | 22 | M20 | 8 | 75.4 | 100 | 25.4 | 38 | 8 | 64 | 104.8 |
| 80 | 3 | 88.9 | 210 | 168.3 | 22 | M20 | 8 | 91.4 | 117 | 28.6 | 43 | 10 | 64 | 127.0 |
| 100 | 4 | 114.3 | 255 | 200.0 | 22 | M20 | 8 | 116.8 | 146 | 31.8 | 48 | 11 | 76 | 157.2 |
| 125 | 5 | 139.7 | 280 | 235.0 | 22 | M20 | 8 | 144.4 | 178 | 35.0 | 51 | 11 | 76 | 185.7 |
| 150 | 6 | 168.3 | 320 | 269.9 | 22 | M20 | 12 | 171.4 | 206 | 36.6 | 52 | 13 | 89 | 215.9 |
| 200 | 8 | 219.1 | 380 | 330.2 | 26 | M24 | 12 | 222.2 | 260 | 41.3 | 62 | 13 | 102 | 269.9 |
| 250 | 10 | 273 | 445 | 387.4 | 30 | M27 | 16 | 277.4 | 321 | 47.7 | 95 | 13 | 254 | 323.8 |
| 300 | 12 | 323.9 | 520 | 450.8 | 33 | M30 | 16 | 328.2 | 375 | 50.8 | 102 | 13 | 254 | 381.0 |
| 350 | 14 | 355.6 | 585 | 514.4 | 33 | M30 | 20 | 360.2 | 425 | 54.0 | 111 | 13 | 305 | 412.8 |
| 400 | 16 | 406.4 | 650 | 571.5 | 36 | M33 | 20 | 411.2 | 483 | 57.2 | 121 | 13 | 305 | 469.9 |
| 450 | 18 | 457 | 710 | 628.6 | 36 | M33 | 24 | 462.3 | 533 | 60.4 | 130 | 13 | 305 | 533.4 |
| 500 | 20 | 508 | 775 | 685.8 | 36 | M33 | 24 | 514.4 | 587 | 63.5 | 140 | 13 | 305 | 584.2 |
| 600 | 24 | 610 | 915 | 812.8 | 42 | M39 | 24 | 616.0 | 702 | 69.9 | 152 | 13 | 305 | 692.2 |
相关链接: