Class150(PN20)松套法兰的尺寸~HG/T 20615-2009
发布时间:2022-11-26 点击数:1149
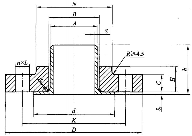
Class150(PN20)松套法兰的尺寸~HG/T 20615-2009

| 公称尺寸 | 钢管外径,A | 连接尺寸 | 法兰内径,B | 颈部直径,N | 法兰厚度,C | 法兰高度,H | 圆角,R1 | 对焊环 | ||||||
| DN | NPS | 法兰外径,D | 螺栓孔中心圆直径,K | 螺栓孔直径,L | 螺栓规格 | 螺栓孔数 | 高度,h | 外径,d | ||||||
| 15 | 1/2 | 21.3 | 90 | 60.3 | 16 | M14 | 4 | 22.9 | 30 | 11.2 | 16 | 3 | 51 | 34.9 |
| 20 | 3/4 | 26.9 | 100 | 69.9 | 16 | M14 | 4 | 28.2 | 38 | 12.7 | 16 | 3 | 51 | 42.9 |
| 25 | 1 | 33.7 | 110 | 79.4 | 16 | M14 | 4 | 34.9 | 49 | 14.3 | 17 | 3 | 51 | 50.8 |
| 32 | 1 ¼ | 42.4 | 115 | 88.9 | 16 | M14 | 4 | 43.7 | 59 | 15.9 | 21 | 5 | 51 | 63.5 |
| 40 | 1 ½ | 48.3 | 125 | 98.4 | 16 | M14 | 4 | 50.0 | 65 | 17.5 | 22 | 6 | 51 | 73.0 |
| 50 | 2 | 60.3 | 150 | 120.7 | 18 | M16 | 4 | 62.5 | 78 | 19.1 | 25 | 8 | 64 | 92.1 |
| 65 | 2 ½ | 76.1 | 180 | 139.7 | 18 | M16 | 4 | 78.5 | 90 | 22.3 | 29 | 8 | 64 | 104.8 |
| 80 | 3 | 88.9 | 190 | 152.4 | 18 | M16 | 4 | 91.4 | 108 | 23.9 | 30 | 10 | 64 | 127.0 |
| 100 | 4 | 114.3 | 230 | 190.5 | 18 | M16 | 8 | 116.8 | 135 | 23.9 | 33 | 11 | 76 | 157.2 |
| 125 | 5 | 139.7 | 255 | 215.9 | 22 | M20 | 8 | 144.4 | 164 | 23.9 | 36 | 11 | 76 | 185.7 |
| 150 | 6 | 168.3 | 280 | 241.3 | 22 | M20 | 8 | 171.4 | 192 | 25.4 | 40 | 13 | 89 | 215.9 |
| 200 | 8 | 219.1 | 345 | 298.5 | 22 | M20 | 8 | 222.2 | 246 | 28.6 | 44 | 13 | 102 | 269.9 |
| 250 | 10 | 273 | 405 | 362.0 | 26 | M24 | 12 | 277.4 | 305 | 30.2 | 49 | 13 | 127 | 323.8 |
| 300 | 12 | 323.9 | 485 | 431.8 | 26 | M24 | 12 | 328.2 | 365 | 31.8 | 56 | 13 | 152 | 381.0 |
| 350 | 14 | 355.6 | 535 | 476.3 | 30 | M27 | 12 | 360.2 | 400 | 35 | 79 | 13 | 152 | 412.8 |
| 400 | 16 | 406.4 | 595 | 539.8 | 30 | M27 | 16 | 411.2 | 457 | 36.6 | 87 | 13 | 152 | 469.9 |
| 450 | 18 | 457 | 635 | 577.9 | 33 | M30 | 16 | 462.3 | 505 | 39.7 | 97 | 13 | 152 | 533.4 |
| 500 | 20 | 508 | 700 | 635.0 | 33 | M30 | 20 | 514.4 | 559 | 42.9 | 103 | 13 | 152 | 584.2 |
| 600 | 24 | 610 | 815 | 749.3 | 36 | M33 | 20 | 616.0 | 663 | 47.7 | 111 | 13 | 152 | 692.2 |
相关链接: