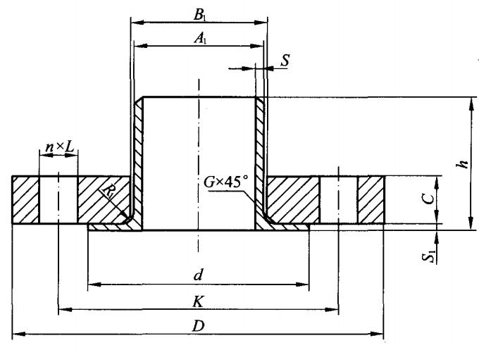
PN40对焊环松套法兰的尺寸~HG/T 20592-2009
发布时间:2022-11-26 点击数:759
PN40对焊环松套法兰的尺寸~HG/T 20592-2009

| 公称 尺寸 DN |
钢管外径 A |
连接尺寸 | 法兰内径 B1 |
法兰 厚度 C |
圆角 R1 |
倒角 G |
对焊环 | |||||||||
| A | B | 法兰 外径 D |
螺栓孔中心圆直径 K |
螺栓孔直径 L |
螺栓孔数 | 螺栓 规格 |
A | B | 高度 h |
外径 d |
S | S1 | ||||
| 10 | 17.2 | 14 | 90 | 60 | 14 | 4 | M12 | 21 | 18 | 14 | 3 | 3 | 35 | 40 | 1.8 | 1.8 |
| 15 | 21.3 | 18 | 95 | 65 | 14 | 4 | M12 | 25 | 22 | 14 | 3 | 3 | 38 | 45 | 2.0 | 2.0 |
| 20 | 26.9 | 25 | 105 | 75 | 14 | 4 | M12 | 31 | 29 | 16 | 4 | 4 | 40 | 58 | 2.3 | 2.3 |
| 25 | 33.7 | 32 | 115 | 85 | 14 | 4 | M12 | 38 | 36 | 16 | 4 | 4 | 40 | 68 | 2.6 | 2.6 |
| 32 | 42.4 | 38 | 140 | 100 | 18 | 4 | M16 | 46 | 42 | 18 | 5 | 5 | 42 | 78 | 2.6 | 2.6 |
| 40 | 48.3 | 45 | 150 | 110 | 18 | 4 | M16 | 53 | 50 | 18 | 5 | 5 | 45 | 88 | 2.6 | 2.6 |
| 50 | 60.3 | 57 | 165 | 125 | 18 | 4 | M16 | 65 | 62 | 20 | 5 | 5 | 48 | 102 | 2.9 | 2.9 |
| 65 | 76.1 | 76 | 185 | 145 | 18 | 8 | M16 | 81 | 81 | 22 | 6 | 6 | 52 | 122 | 2.9 | 2.9 |
| 80 | 88.9 | 89 | 200 | 160 | 18 | 8 | M16 | 94 | 94 | 24 | 6 | 6 | 58 | 138 | 3.2 | 3.2 |
| 100 | 114.3 | 108 | 235 | 190 | 22 | 8 | M20 | 120 | 114 | 26 | 6 | 6 | 65 | 162 | 3.6 | 3.6 |
| 125 | 139.7 | 133 | 270 | 220 | 26 | 8 | M24 | 145 | 139 | 28 | 6 | 6 | 68 | 188 | 4.0 | 4.0 |
| 150 | 168.3 | 159 | 300 | 250 | 26 | 8 | M24 | 174 | 165 | 30 | 6 | 6 | 75 | 218 | 4.5 | 4.5 |
| 200 | 219.1 | 219 | 375 | 320 | 30 | 12 | M27 | 226 | 226 | 36 | 6 | 6 | 88 | 285 | 6.3 | 6.3 |
| 250 | 273 | 273 | 450 | 385 | 33 | 12 | M30 | 281 | 281 | 42 | 8 | 8 | 105 | 345 | 7.1 | 7.1 |
| 300 | 323.9 | 325 | 515 | 450 | 33 | 16 | M30 | 333 | 334 | 48 | 8 | 8 | 115 | 410 | 8.0 | 8.0 |
| 350 | 355.6 | 377 | 580 | 510 | 36 | 16 | M33 | 365 | 386 | 54 | 8 | 8 | 125 | 465 | 8.8 | 8.8 |
| 400 | 406.4 | 426 | 660 | 585 | 39 | 16 | M36 | 416 | 435 | 60 | 8 | 8 | 135 | 535 | 11.0 | 11.0 |
| 450 | 457 | 480 | 685 | 610 | 39 | 20 | M36 | 467 | 490 | 66 | 8 | 8 | 135 | 560 | 12.5 | 12.5 |
| 500 | 508 | 530 | 755 | 670 | 42 | 20 | M39 | 519 | 541 | 72 | 8 | 8 | 140 | 615 | 14.2 | 14.2 |
| 600 | 610 | 630 | 890 | 795 | 48 | 20 | M45 | 622 | 642 | 84 | 8 | 8 | 150 | 735 | 16.0 | 16.0 |
相关链接:
PN10对焊环松套法兰的尺寸~HG/T 20592-2009